Chevy Wiring Diagram

Wiring Diagram Of Chevy Venture Hazard Flasher


Learn the basics of electrical wiring for the home, including wire and cable types, wire color codes and labeling, and essential wiring Conquer your fear of working with electrical wiring BY understanding the basics of electrical work and installing 3-switch wiring. Play it


Working with household electrical wiring allows homeowners to install new fixtures, repair outlets, or upgrade lighting. While performing Our guide will walk you through the essentials of home electrical wiring, from planning and installation to safety


Related Posts of Wiring Diagram Of Chevy Venture Hazard Flasher :


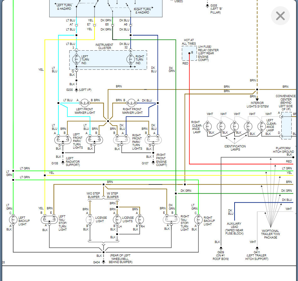
Hazard Flasher Wiring Diagram

Hazard Flasher Wiring Diagram

Hazard Flasher Wiring Diagram Creativeens

Hazard Flasher Wiring Diagram Creativeens

Trailer Wiring Harness Diagram 2001 Chevy Venture

Wiring Diagram 2 Pin Flasher Relay Wiring Diagram


40+ Images of Wiring Diagram Of Chevy Venture Hazard Flasher

Wiring Diagram For Car Flasher Unit

Learn the basics of electrical wiring for the home, including wire and cable types, wire color codes and labeling, and essential wiring


Conquer your fear of working with electrical wiring BY understanding the basics of electrical work and installing 3-switch wiring. Play it


Working with household electrical wiring allows homeowners to install new fixtures, repair outlets, or upgrade lighting. While performing


Our guide will walk you through the essentials of home electrical wiring, from planning and installation to safety


Get the ultimate guide to wiring with step-by-step instructions, diagrams, and tips. Learn everything from basic electrical concepts to



Gallery of Wiring Diagram Of Chevy Venture Hazard Flasher :

2002 Chevy Venture Wiring Diagram Szachylodz

2003 Chevy Silverado Turn Signal Wiring Diagram

1999 chevy venture turn signal

Understanding the Chevy Venture Heater Hose Diagram A Step by Step Guide

Classic Car Indicator Wiring Diagram

Hazard Flasher Switch Compatible with 2004 2005 Chevy Classic

Hazard Flasher understanding IH8MUD Forum

Hazard Warning Flasher Compatible with 1970 1973 Chevy Chevelle

Hazard Warning Flasher Compatible with 1987 1988 Chevy V20 Suburban

Hazard Flasher Switch Compatible with 1984 1986 Chevy K30 1985

Hazard Flasher Switch Compatible with 1976 1979 Chevy Nova 1977

Chevrolet Venture Hazard Warning And Turn Signal Flasher

06 CHEVY EXPRESS VAN Turn Signal Hazard Flasher Relay Module Parts for

Diagrama Electrico Chevy Venture 1999 All Wiring Diagrams Fo

Hazard Flasher Switch Compatible with 2003 2006 Chevy Avalanche

Hazard Flasher Switch Compatible with 2003 2006 Chevy Avalanche

Wiring diagram showing the hazard flashers series 3 Land Rover UK

Where is Chevy Silverado Flasher Relay Located Explained

Hazard Flasher Switch Compatible with 2001 2003 2005 2006 Chevy

How to Wire Hazard Flasher My Wiring DIagram

Engine Diagram Chevy Venture diagram Wiring Diagram For 20

Hazard Flasher understanding IH8MUD Forum

Hazard Warning Flasher Compatible with 1970 1973 Chevy Chevelle

Hazard Warning Flasher Compatible with 1987 1988 Chevy V20 Suburban

Hazard Flasher Switch Compatible with 1984 1986 Chevy K30 1985

Hazard Flasher Switch Compatible with 1976 1979 Chevy Nova 1977

Chevrolet Venture Hazard Warning And Turn Signal Flasher

06 CHEVY EXPRESS VAN Turn Signal Hazard Flasher Relay Module Parts for

Diagrama Electrico Chevy Venture 1999 All Wiring Diagrams Fo

Hazard Flasher Switch Compatible with 2003 2006 Chevy Avalanche

Hazard Flasher Switch Compatible with 2003 2006 Chevy Avalanche

Wiring diagram showing the hazard flashers series 3 Land Rover UK

Where is Chevy Silverado Flasher Relay Located Explained

Hazard Flasher Switch Compatible with 2001 2003 2005 2006 Chevy

How to Wire Hazard Flasher My Wiring DIagram

How to Wire Hazard Flasher My Wiring DIagram

Hazard Flasher Switch Replacement How Do You Replace the Hazard

Hazard Flasher Switch Replacement How Do You Replace the Hazard

How to Wire Hazard Flasher My Wiring DIagram

Supagat Hazard Flasher Switch for Chevy for Corvette 5 7L 1997 2004

Hazard Warning Flasher Compatible with 2003 2007 Chevy Silverado

Hazard Flasher Switch Compatible with 2003 2006 Chevy Silverado

Indicator And Hazard Wiring Diagram Wiring Hazard Mgb Switch

How To Wire A Hazard Flasher at Steven Teter blog

Hazard Warning Switch Wiring Diagram Isuzu Vehicross Hazard

Electronic Flasher Relay Circuit Diagram

Hazard Flasher Switch Compatible with 1969 1979 1984 1987 Chevy

FS For Sale V74 Hazard Flasher CorvetteForum Chevrolet Corvette

How To Wire A Hazard Flasher at Steven Teter blog

Hazard Warning Switch Wiring Diagram Isuzu Vehicross Hazard

Electronic Flasher Relay Circuit Diagram

Hazard Flasher Switch Compatible with 1969 1979 1984 1987 Chevy

Hazard Flasher Switch Compatible with 1969 1979 1986 1987 Chevy

FS For Sale V74 Hazard Flasher CorvetteForum Chevrolet Corvette

2 Way Flasher Wiring Diagrams

Basic Car Indicator Wiring Diagram

Chevrolet Express G1500 Hazard Warning And Turn Signal Flasher

FS For Sale Hazard Flasher 4 Way CorvetteForum Chevrolet Corvette

How To Wire A 12 Volt Flasher

I have a 2003 chevy venture and the turn signals stopped working they

All Wiring Diagrams for Chevrolet Venture Warner Bros Edition 2000

How To Wire Flasher Relay

Dash Flashes with Turn Signal Royal Star Venture Tech Talk 99 13

Symptoms of Malfunctioning Hazard and Turn Signal Flashers In The

Solid Signal Wiring Diagrams Round turn signal flasher wirin

FLASHER SIGNAL LIGHT WIRING DIAGRAM PART 1 YouTube

Replace flasher relay 2003 Chevy Venture YouTube

kitchenress Blog

57BC67W Hazard Warning and Turn Signal Flasher Fits Chevy Silverado

TheSamba com Split Bus View topic Hazard flasher switch location

Flashers for 1999 Chevrolet Suburban C1500 Chevrolet Parts Direct

Wiring Diagram Of Chevy Venture Hazard Flasher - The pictures related to be able to Wiring Diagram Of Chevy Venture Hazard Flasher in the following paragraphs, hopefully they will can be useful and will increase your knowledge. Appreciate you for making the effort to be able to visit our website and even read our articles. Cya ~.

RSS Feed | Sitemaps
Copyright © 2025. By https://chevywiringdiagram.biz.id

close