Chevy Wiring Diagram

Wiring Diagram For Chevy Cruze


Learn the basics of electrical wiring for the home, including wire and cable types, wire color codes and labeling, and essential wiring Electrical wiring is an electrical installation of cabling and associated devices such as switches, distribution boards, sockets, and


Conquer your fear of working with electrical wiring BY understanding the basics of electrical work and installing 3-switch wiring. Play it Want to learn the basics of home electrical wiring? This guide covers everything in this regard, including wire sizing, safety, color


Related Posts of Wiring Diagram For Chevy Cruze :


Chevy Cruze Wiring Diagram

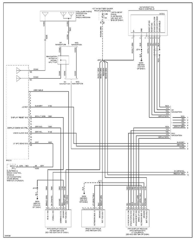
Chevy Cruze Stereo Wiring Diagram Wiring Diagram and Schematic

Chevy Cruze Stereo Wiring Diagram Wiring Diagram and Schematic

The Complete Guide to Understanding Chevy Cruze Wiring Diagrams

Wiring Diagram Engine 2011 Chevy Cruze Wiring Digital and Schematic

Wiring Diagram Engine 2011 Chevy Cruze Wiring Digital and Schematic


44+ Images of Wiring Diagram For Chevy Cruze

2018 Chevy Cruze Engine Wiring Diagram Wiring Diagram

Learn the basics of electrical wiring for the home, including wire and cable types, wire color codes and labeling, and essential wiring


Electrical wiring is an electrical installation of cabling and associated devices such as switches, distribution boards, sockets, and


Conquer your fear of working with electrical wiring BY understanding the basics of electrical work and installing 3-switch wiring. Play it


Want to learn the basics of home electrical wiring? This guide covers everything in this regard, including wire sizing, safety, color


Our guide will walk you through the essentials of home electrical wiring, from planning and installation to safety



Gallery of Wiring Diagram For Chevy Cruze :

A comprehensive wiring diagram guide for the Chevy Cruze WireMystique

A comprehensive wiring diagram guide for the Chevy Cruze WireMystique

Wiring Diagram For 2017 Chevy Cruze Wiring Diagram

Ultimate Guide to the 2017 Chevy Cruze Wiring Diagram

Chevrolet Cruze Wiring Diagram Pdf Cruze Diagram Wiring Chevrolet

Chevrolet Cruze Engine Wiring Diagram Wiring Diagram

2016 Chevy Cruze Wiring Diagram Handicraftsful

Chevy Cruze Wiring Diagram

2018 Chevy Cruze Radio Wiring Diagram Wiring Diagram

Chevy Cruze O2 Sensor Wiring Diagram 2014 Chevy Cruze O2 Sen

Chevy Cruze Wiring Diagrams

Chevy Cruze Wiring Diagrams Cruze Chevrolet Starter

Chevy Cruze Starter Diagram How To Wire A Chevy Starter

Chevy Cruze Houses Diagram All Wiring Diagrams For Chevrolet

All Wiring Diagrams for Chevrolet Cruze LTZ 2013 Wiring diagrams for cars

All Wiring Diagrams for Chevrolet Cruze LT 2013 model Wiring diagrams

All Wiring Diagrams for Chevrolet Cruze LT 2013 model Wiring diagrams

All Wiring Diagrams for Chevrolet Cruze LTZ 2014 model Wiring

All Wiring Diagrams for Chevrolet Cruze LTZ 2014 model Wiring

Cruze 2013 all SYSTEM WIRING DIAGRAMS Fig 21 1 VIN B Engine

Ultimate Guide to the 2017 Chevy Cruze Wiring Diagram

Chevrolet Cruze Wiring Diagram Pdf Cruze Diagram Wiring Chevrolet

Chevrolet Cruze Wiring Diagram Pdf Cruze Diagram Wiring Chevrolet

Chevrolet Cruze Engine Wiring Diagram Wiring Diagram

2016 Chevy Cruze Wiring Diagram Handicraftsful

Chevy Cruze Wiring Diagram

2018 Chevy Cruze Radio Wiring Diagram Wiring Diagram

Chevy Cruze O2 Sensor Wiring Diagram 2014 Chevy Cruze O2 Sen

Chevy Cruze Wiring Diagrams

Chevy Cruze Wiring Diagrams Cruze Chevrolet Starter

Chevy Cruze Starter Diagram How To Wire A Chevy Starter

Chevy Cruze Houses Diagram All Wiring Diagrams For Chevrolet

All Wiring Diagrams for Chevrolet Cruze LTZ 2012 model Wiring

CHEVROLET Cruze Wiring Diagrams amp Fuse Boxes Car Electrical Wiring

All Wiring Diagrams for Chevrolet Cruze LTZ 2013 Wiring diagrams for cars

All Wiring Diagrams for Chevrolet Cruze LTZ 2013 Wiring diagrams for cars

All Wiring Diagrams for Chevrolet Cruze LT 2012 model Wiring diagrams

All Wiring Diagrams for Chevrolet Cruze LTZ 2012 model Wiring

All Wiring Diagrams for Chevrolet Cruze LT 2013 model Wiring diagrams

All Wiring Diagrams for Chevrolet Cruze LT 2013 model Wiring diagrams

All Wiring Diagrams for Chevrolet Cruze LTZ 2014 model Wiring

All Wiring Diagrams for Chevrolet Cruze LTZ 2014 model Wiring

Cruze 2013 all SYSTEM WIRING DIAGRAMS Fig 21 1 VIN B Engine

2011 Chevrolet Cruze 1 4L Turbo 6 Spd

2019 CHEVROLET CRUZE FRONT DRIVER DOOR WIRING HARNESS CABLE WIRE LEFT

CHEVROLET Cruze Wiring Diagrams amp Fuse Boxes Car Electrical Wiring

All Wiring Diagrams for Chevrolet Cruze LTZ 2012 model Wiring

All Wiring Diagrams for Chevrolet Cruze LT 2011 Wiring diagrams for cars

All Wiring Diagrams for Chevrolet Cruze LTZ 2013 Wiring diagrams for cars

All Wiring Diagrams for Chevrolet Cruze LTZ 2013 Wiring diagrams for cars

All Wiring Diagrams for Chevrolet Cruze LTZ 2013 Wiring diagrams for cars

All Wiring Diagrams for Chevrolet Cruze LT 2012 model Wiring diagrams

All Wiring Diagrams for Chevrolet Cruze LTZ 2012 model Wiring

All Wiring Diagrams for Chevrolet Cruze LT 2013 model Wiring diagrams

All Wiring Diagrams for Chevrolet Cruze LT 2013 model Wiring diagrams

All Wiring Diagrams for Chevrolet Cruze LT 2013 model Wiring diagrams

All Wiring Diagrams for Chevrolet Cruze LTZ 2014 model Wiring

All Wiring Diagrams for Chevrolet Cruze LTZ 2014 model Wiring

Cruze 2013 all SYSTEM WIRING DIAGRAMS Fig 21 1 VIN B Engine

2011 Chevrolet Cruze 1 4L Turbo 6 Spd

2019 CHEVROLET CRUZE FRONT DRIVER DOOR WIRING HARNESS CABLE WIRE LEFT

Wiring Diagram For Chevy Cruze - The pictures related to be able to Wiring Diagram For Chevy Cruze in the following paragraphs, hopefully they will can be useful and will increase your knowledge. Appreciate you for making the effort to be able to visit our website and even read our articles. Cya ~.

RSS Feed | Sitemaps
Copyright © 2025. By https://chevywiringdiagram.biz.id

close