Chevy Wiring Diagram

Wiring Diagram For 82 Chevy Pickup


Learn the basics of electrical wiring for the home, including wire and cable types, wire color codes and labeling, and essential wiring Electrical wiring is an electrical installation of cabling and associated devices such as switches, distribution boards, sockets, and


Conquer your fear of working with electrical wiring BY understanding the basics of electrical work and installing 3-switch wiring. Play it Want to learn the basics of home electrical wiring? This guide covers everything in this regard, including wire sizing, safety, color


Related Posts of Wiring Diagram For 82 Chevy Pickup :


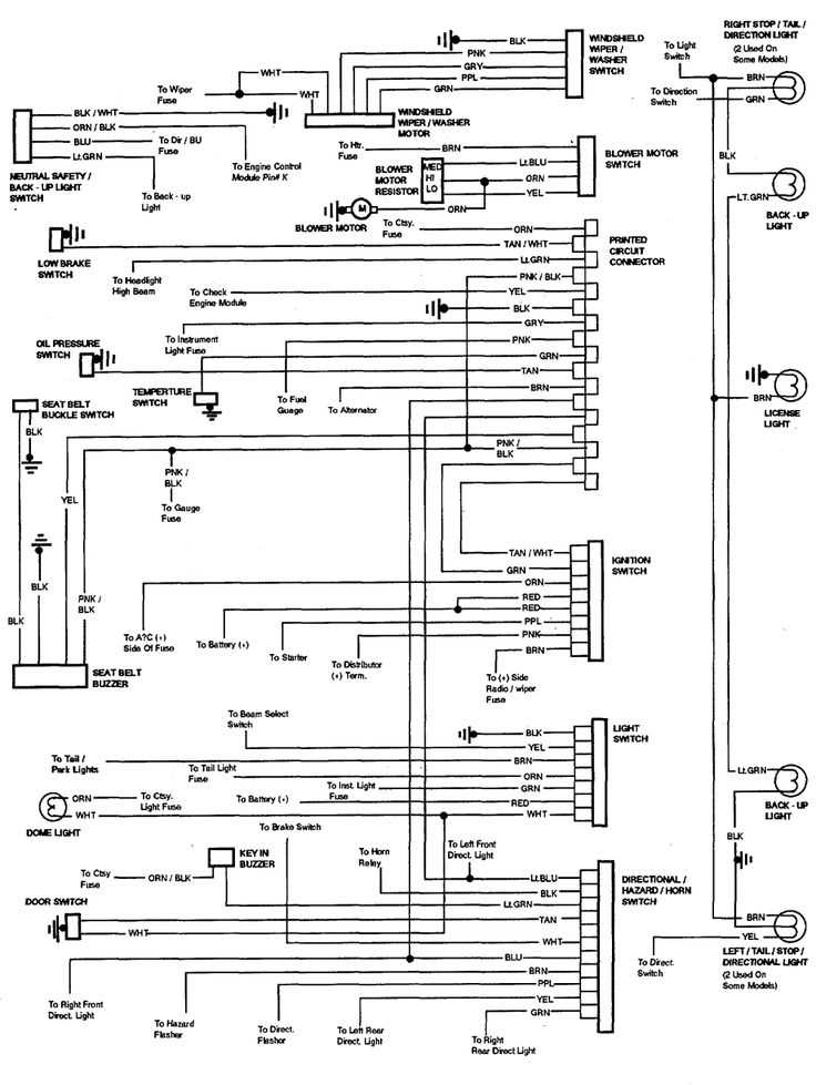
1984 chevy truck wiring diagram Wiring Diagram

84 Chevy Truck Wiring Diagram

84 Chevy Truck Wiring Diagram

84 Chevy Truck Wiring Diagram

84 Chevy Truck Wiring Diagram

82 Chevy Fuse Box Wiring Diagram


25+ Images of Wiring Diagram For 82 Chevy Pickup

78 Chevy C10 Wiring Diagram

Learn the basics of electrical wiring for the home, including wire and cable types, wire color codes and labeling, and essential wiring


Electrical wiring is an electrical installation of cabling and associated devices such as switches, distribution boards, sockets, and


Conquer your fear of working with electrical wiring BY understanding the basics of electrical work and installing 3-switch wiring. Play it


Want to learn the basics of home electrical wiring? This guide covers everything in this regard, including wire sizing, safety, color


Our guide will walk you through the essentials of home electrical wiring, from planning and installation to safety



Gallery of Wiring Diagram For 82 Chevy Pickup :

1984 chevy truck wiring diagram Wiring Diagram

1984 Chevy Corvette Wiring Diagram Circuit Diagram

84 Chevy Truck Wiring Diagram 187 IOT Wiring Diagram

1987 Chevy Truck Tbi Wiring Diagram Wiring Diagram and Schematic

1962 Chevy Pickup Wiring Diagram For Your Needs

Step by Step Guide 1981 Chevy Truck Wiring Diagram

Step by Step Guide 1981 Chevy Truck Wiring Diagram

Step by Step Guide How to Wire Your 1985 Chevy Truck with a Wiring Diagram

82 Chevy C10 Wiring Diagram 82 C10 Engine Wiring Harness Dia

82 Chevy Truck Courtesy Light Wiring Diagram

1982 Chevy GMC Truck Wiring Diagram Southwest Classics

A visual guide to the engine wiring harness diagram for a 1985 Chevy truck

82 Chevrolet Ignition Switch Wiring Diagram Database Faceitsalon com

1983 1984 1985 1986 1987 Chevy amp GMC C K Truck Color Wiring Diagram

1982 Chevy Truck 1 Ton Headlight Wiring Diagram Database

1982 Chevy Truck Fuel Wiring Diagram

82 Chevy Gmc Tail Light Wire Diagram 2008 Chevy Impala Wirin

Chevy Wiring Diagrams Free

1982 Chevy Truck Wiring Harnes Wiring Diagram

1973 87 Chevy Truck Wiring Diagram Wiring Diagram

1962 Chevy Pickup Wiring Diagram For Your Needs

Step by Step Guide 1981 Chevy Truck Wiring Diagram

Step by Step Guide 1981 Chevy Truck Wiring Diagram

Step by Step Guide 1981 Chevy Truck Wiring Diagram

The Complete Wiring Diagram Guide for a 1985 Chevy Truck

Step by Step Guide How to Wire Your 1985 Chevy Truck with a Wiring Diagram

82 Chevy C10 Wiring Diagram 82 C10 Engine Wiring Harness Dia

82 Chevy Truck Courtesy Light Wiring Diagram

1982 Chevy GMC Truck Wiring Diagram Southwest Classics

A visual guide to the engine wiring harness diagram for a 1985 Chevy truck

82 Chevrolet Ignition Switch Wiring Diagram Database Faceitsalon com

1983 1984 1985 1986 1987 Chevy amp GMC C K Truck Color Wiring Diagram

1982 Chevy Truck 1 Ton Headlight Wiring Diagram Database

1982 Chevy Truck Fuel Wiring Diagram

82 Chevy Gmc Tail Light Wire Diagram 2008 Chevy Impala Wirin

Chevy Wiring Diagrams Free

1982 Chevy Truck Wiring Harnes Wiring Diagram

1982 Chevy Truck Wiring Harnes Wiring Diagram

1980 Chevy GMC C K Truck Wiring Diagrams

Complete Wiring Harness For Chevy Truck

1984 Chevy Engine Wiring Harness Diagrams

Complete 73 87 Wiring Diagrams

1973 82 Chevy amp GMC Truck Classic Update Wiring Kit

A visual guide to the engine wiring harness diagram for a 1985 Chevy truck

82 Chevrolet Ignition Switch Wiring Diagram Database Faceitsalon com

1983 1984 1985 1986 1987 Chevy amp GMC C K Truck Color Wiring Diagram

1982 Chevy Truck 1 Ton Headlight Wiring Diagram Database

Electrical Wiring Diagram 1978 Gmc

1982 Chevy Truck Fuel Wiring Diagram

82 Chevy Gmc Tail Light Wire Diagram 2008 Chevy Impala Wirin

Chevy Wiring Diagrams Free

1982 Chevy Truck Wiring Harnes Wiring Diagram

1982 Chevy Truck Wiring Harnes Wiring Diagram

1982 Chevy Truck Wiring Harnes Wiring Diagram

1980 Chevy GMC C K Truck Wiring Diagrams

1980 Chevy GMC C K Truck Wiring Diagrams

Complete Wiring Harness For Chevy Truck

1984 Chevy Engine Wiring Harness Diagrams

Complete 73 87 Wiring Diagrams

1984 chevy truck wiring diagram nrg4cast Chevy trucks 1984 chevy

1984 Chevy Truck Wiring Diagram

1973 82 Chevy amp GMC Truck Classic Update Wiring Kit

Wiring Diagram For 82 Chevy Pickup - The pictures related to be able to Wiring Diagram For 82 Chevy Pickup in the following paragraphs, hopefully they will can be useful and will increase your knowledge. Appreciate you for making the effort to be able to visit our website and even read our articles. Cya ~.

RSS Feed | Sitemaps
Copyright © 2025. By https://chevywiringdiagram.biz.id

close