Chevy Wiring Diagram

Wiring Diagram For 5500 Chevy Truck


Learn the basics of electrical wiring for the home, including wire and cable types, wire color codes and labeling, and essential wiring Electrical wiring is an electrical installation of cabling and associated devices such as switches, distribution boards, sockets, and


Conquer your fear of working with electrical wiring BY understanding the basics of electrical work and installing 3-switch wiring. Play it Working with household electrical wiring allows homeowners to install new fixtures, repair outlets, or upgrade lighting. While performing


Related Posts of Wiring Diagram For 5500 Chevy Truck :


chevy truck wiring diagram

1951 Chevy Pickup Truck Wiring Diagram Wiring Diagram

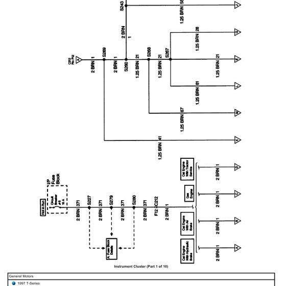
2005 Chevy Wiring Diagram

1956 Chevy Dash Wiring Diagram

2005 Chevy Silverado Wiring Diagram Pdf

2007 Gmc W5500 Wiring Diagram 187 Wiring Flow Line


62+ Images of Wiring Diagram For 5500 Chevy Truck

2005 chevy silverado 3500 wiring diagram Wiring Diagram

Learn the basics of electrical wiring for the home, including wire and cable types, wire color codes and labeling, and essential wiring


Electrical wiring is an electrical installation of cabling and associated devices such as switches, distribution boards, sockets, and


Conquer your fear of working with electrical wiring BY understanding the basics of electrical work and installing 3-switch wiring. Play it


Working with household electrical wiring allows homeowners to install new fixtures, repair outlets, or upgrade lighting. While performing


Get the ultimate guide to wiring with step-by-step instructions, diagrams, and tips. Learn everything from basic electrical concepts to



Gallery of Wiring Diagram For 5500 Chevy Truck :

1950 1951 GMC Truck Color Wiring Diagram ClassicCarWiring LLC

1953 1954 EARLY 1955 Chevy Truck Color Wiring Diagram ClassicCarWiring

Chevy C5500 Wiring

1955 1959 Chevy Truck Wiring The H A M B

55 Chevy Truck Wiring Diagram 14 Gm Wiring Harness Diagram

Dodge and Ram Truck 4500 and 5500 Cab Chassis Wiring Diagrams 2019

Dodge and Ram Truck 4500 and 5500 Cab Chassis Wiring Diagrams 2019

Dodge and Ram Truck 4500 and 5500 Cab Chassis Wiring Diagrams 2018

Dodge and Ram Truck 2011 15 4500 and 5500 Cab Chassis Wiring Diagrams

Gmc C 5500 Wiring Diagram Starting sst2013 s407z

General Motors Truck Silverado 4500 5500 6500 HD Wiring Diagrams 2019

Dodge and Ram Truck 4500 and 5500 Cab Chassis Wiring Diagrams 2018

Dodge and Ram Truck 4500 and 5500 Cab Chassis Wiring Diagrams 2018

General Motors Truck Silverado 4500 5500 6500 HD Wiring Diagrams 2019

General Motors Truck Silverado 4500 5500 6500 HD Wiring Diagrams 2019

1950 1951 GMC Truck Color Wiring Diagram ClassicCarWiring LLC

1953 1954 EARLY 1955 Chevy Truck Color Wiring Diagram ClassicCarWiring

Chevy C5500 Wiring

1955 1959 Chevy Truck Wiring The H A M B

55 Chevy Truck Wiring Diagram 14 Gm Wiring Harness Diagram

Dodge and Ram Truck 4500 and 5500 Cab Chassis Wiring Diagrams 2019

Dodge and Ram Truck 4500 and 5500 Cab Chassis Wiring Diagrams 2019

Dodge and Ram Truck 4500 and 5500 Cab Chassis Wiring Diagrams 2018

Dodge and Ram Truck 2011 15 4500 and 5500 Cab Chassis Wiring Diagrams

Gmc C 5500 Wiring Diagram Starting sst2013 s407z

Gmc C 5500 Wiring Diagram Starting sst2013 s407z

General Motors Truck Silverado 4500 5500 6500 HD Wiring Diagrams 2019

Dodge and Ram Truck 4500 and 5500 Cab Chassis Wiring Diagrams 2018

Dodge and Ram Truck 4500 and 5500 Cab Chassis Wiring Diagrams 2018

General Motors Truck Silverado 4500 5500 6500 HD Wiring Diagrams 2019

General Motors Truck Silverado 4500 5500 6500 HD Wiring Diagrams 2019

All Wiring Diagrams for Chevrolet Cab amp Chassis Silverado 2005 3500

Chevy C5500 Q amp A on Dash Warning Lights amp Tail Light Wiring Diagrams

All Wiring Diagrams for Chevrolet Silverado 2005 1500 Wiring diagrams

All Wiring Diagrams for Chevrolet Silverado HD 2005 2500 Wiring

All Wiring Diagrams for Chevrolet Cab amp Chassis Silverado 2005 3500

55 chevy truck wiring YouTube

1954 Chevy Truck Documents

General Motors Truck Silverado 4500 5500 6500 HD Wiring Diagrams 2019

General Motors Truck Silverado 4500 5500 6500 HD Wiring Diagrams 2019

Dodge and Ram Truck 4500 and 5500 Cab Chassis Wiring Diagrams 2018

Dodge and Ram Truck 4500 and 5500 Cab Chassis Wiring Diagrams 2019

Dodge and Ram Truck 4500 and 5500 Cab Chassis Wiring Diagrams 2018

Dodge and Ram Truck 4500 and 5500 Cab Chassis Wiring Diagrams 2018

Dodge and Ram Truck 2011 15 4500 and 5500 Cab Chassis Wiring Diagrams

Dodge and Ram Truck 2016 17 4500 and 5500 Cab Chassis Wiring Diagrams

Dodge and Ram Truck 2016 17 4500 and 5500 Cab Chassis Wiring Diagrams

Dodge and Ram Truck 2016 17 4500 and 5500 Cab Chassis Wiring Diagrams

All Wiring Diagrams for Chevrolet Cab amp Chassis Silverado 2005 3500

All Wiring Diagrams for Chevrolet Cab amp Chassis Silverado 2005 3500

All Wiring Diagrams for Chevrolet Cab amp Chassis Silverado 2005 3500

All Wiring Diagrams for Chevrolet Cab amp Chassis Silverado 2005 3500

Chevy C5500 Q amp A on Dash Warning Lights amp Tail Light Wiring Diagrams

All Wiring Diagrams for Chevrolet Silverado 2005 1500 Wiring diagrams

All Wiring Diagrams for Chevrolet Cab amp Chassis Silverado 2005 3500

All Wiring Diagrams for Chevrolet Cab amp Chassis Silverado 2005 3500

All Wiring Diagrams for Chevrolet Silverado HD 2005 1500 Wiring

All Wiring Diagrams for Chevrolet Silverado HD 2005 2500 Wiring

All Wiring Diagrams for Chevrolet Silverado HD 2005 2500 Wiring

All Wiring Diagrams for Chevrolet Silverado HD 2005 2500 Wiring

All Wiring Diagrams for Chevrolet Silverado HD 2005 2500 Wiring

All Wiring Diagrams for Chevrolet Silverado HD 2005 2500 Wiring

All Wiring Diagrams for Chevrolet Cab amp Chassis Silverado 2005 3500

All Wiring Diagrams for Chevrolet Cab amp Chassis Silverado 2005 3500

55 chevy truck wiring YouTube

1954 Chevy Truck Documents

Wiring Diagram For 5500 Chevy Truck - The pictures related to be able to Wiring Diagram For 5500 Chevy Truck in the following paragraphs, hopefully they will can be useful and will increase your knowledge. Appreciate you for making the effort to be able to visit our website and even read our articles. Cya ~.

RSS Feed | Sitemaps
Copyright © 2025. By https://chevywiringdiagram.biz.id

close