Chevy Wiring Diagram

Wiring Diagram For 2017 Chevy Colorado


Learn the basics of electrical wiring for the home, including wire and cable types, wire color codes and labeling, and essential wiring Conquer your fear of working with electrical wiring BY understanding the basics of electrical work and installing 3-switch wiring. Play it


Electrical wiring is an electrical installation of cabling and associated devices such as switches, distribution boards, sockets, and Want to learn the basics of home electrical wiring? This guide covers everything in this regard, including wire sizing, safety, color


Related Posts of Wiring Diagram For 2017 Chevy Colorado :


2017 Chevy Colorado Z71 Trailer Wiring Diagram 187 Schema Digital

2017 Chevy Colorado Parts Diagram and Overview

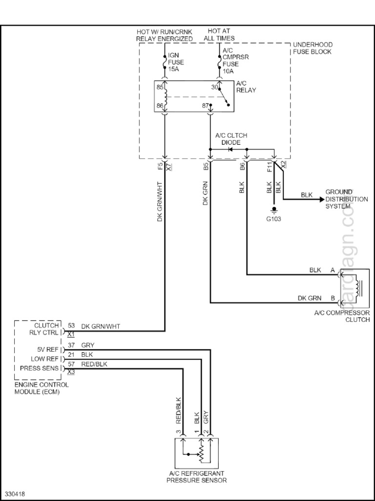
WIRING DIAGRAMS Chevrolet Colorado 12 17 PDF

Chevy Colorado Wiring Schematics Wiring Diagram

Wiring Diagram for 2007 Chevy Colorado

Wiring Diagram for 2007 Chevy Colorado


52+ Images of Wiring Diagram For 2017 Chevy Colorado

2018 Chevy Colorado Trailer Wiring Diagram Wiring Diagram

Learn the basics of electrical wiring for the home, including wire and cable types, wire color codes and labeling, and essential wiring


Conquer your fear of working with electrical wiring BY understanding the basics of electrical work and installing 3-switch wiring. Play it


Electrical wiring is an electrical installation of cabling and associated devices such as switches, distribution boards, sockets, and


Want to learn the basics of home electrical wiring? This guide covers everything in this regard, including wire sizing, safety, color


Get the ultimate guide to wiring with step-by-step instructions, diagrams, and tips. Learn everything from basic electrical concepts to


Our guide will walk you through the essentials of home electrical wiring, from planning and installation to safety


Electrical wiring refers to the installation of cabling and associated devices such as switches, distribution panels, outlets,


Learn essential electrical wiring skills to enhance your home safely and effectively. Start your DIY journey today by


Learn the basics of home wiring with this beginner's guide. Discover the essentials for installing and repairing electrical systems in


Navigating the intricate web of residential electrical wiring demands more than a DIY tutorial. In this comprehensive guide, we


 (9,011)



Gallery of Wiring Diagram For 2017 Chevy Colorado :

Wiring Diagram 2017 Gmc Sierra

Wiring Diagram 2017 Gmc Sierra

2017 Silverado Wiring Diagram Free Chevrolet Silverado Wiring Diagram

2017 Silverado Wiring Diagram Free Chevrolet Silverado Wiring Diagram

2017 Silverado Wiring Diagram Free Chevrolet Silverado Wiring Diagram

2017 Silverado Wiring Diagram Free Chevrolet Silverado Wiring Diagram

2005 Chevy Colorado Electrical Schematic Wiring Diagram

2007 Chevy Colorado Wiring Diagram

2017 Chevrolet Silverado Trailer Wiring Diagram

How to Wire Your Chevy Colorado for Trailer Use

2017 Chevrolet Silverado Wiring Diagrams Wiring Diagram

2017 Chevrolet Colorado 2 5L L4 Gas ASP N VIN A Des LCV 16V

The Ultimate Guide to Chevy Colorado Fuse Box Diagrams Protect Your

Unveiling the 2017 Chevy Colorado Parts Diagram A Detailed Overview

Unveiling the 2017 Chevy Colorado Parts Diagram A Detailed Overview

Essential Tips for Installing a Chevy Colorado Wiring Harness

A Complete Guide to the 2016 Colorado Wiring Diagrams

A Complete Guide to the 2016 Colorado Wiring Diagrams

Chevrolet Colorado 2017 fuse box diagram Auto Genius

Chevy Colorado Trailer Wiring Diagram Wiring Diagram 2004 Ch

2017 Chevrolet Colorado 2 5L L4 Gas ASP N VIN A Des LCV 16V

The Ultimate Guide to Chevy Colorado Fuse Box Diagrams Protect Your

Unveiling the 2017 Chevy Colorado Parts Diagram A Detailed Overview

Unveiling the 2017 Chevy Colorado Parts Diagram A Detailed Overview

Essential Tips for Installing a Chevy Colorado Wiring Harness

A Complete Guide to the 2016 Colorado Wiring Diagrams

A Complete Guide to the 2016 Colorado Wiring Diagrams

A Complete Guide to the 2016 Colorado Wiring Diagrams

Chevrolet Colorado 2017 fuse box diagram Auto Genius

Chevy Colorado Trailer Wiring Diagram Wiring Diagram 2004 Ch

Chevrolet Colorado 2WD L4 2 5L 2017 Electrical Wiring Diagram

Chevrolet Colorado 2WD L4 2 5L 2017 Electrical Wiring Diagram

Color coded Wiring Diagrams Chevy Colorado amp GMC Canyon

Diagrama Circuitos Wiring Harness Chevrolet Colorado 2012 Co

Chevrolet Colorado 2019 2020 Wiring Diagrams Download PDF WORKSHOP MANUAL

HEADLIGHTS Chevrolet Colorado 2007 SYSTEM WIRING DIAGRAMS Wiring

All Wiring Diagrams for Chevrolet Colorado 2007 model Wiring diagrams

All Wiring Diagrams for Chevrolet Colorado 2007 model Wiring diagrams

All Wiring Diagrams for Chevrolet Colorado 2007 model Wiring diagrams

All Wiring Diagrams for Chevrolet Colorado 2007 model Wiring diagrams

All Wiring Diagrams for Chevrolet Colorado 2007 model Wiring diagrams

All Wiring Diagrams for Chevrolet Colorado 2007 model Wiring diagrams

All Wiring Diagrams for Chevrolet Colorado 2007 model Wiring diagrams

All Wiring Diagrams for Chevrolet Colorado 2007 model Wiring diagrams

All Wiring Diagrams for Chevrolet Colorado 2007 model Wiring diagrams

All Wiring Diagrams for Chevrolet Colorado 2007 model Wiring diagrams

2022 Chevrolet Colorado Service and Repair Manual Repair Surge

DIAGRAMA ELECTRICO CHEVROLET COLORADO YouTube

2017 Chevrolet Colorado fuse box diagram StartMyCar

Diagrama Circuitos Wiring Harness Chevrolet Colorado 2012 Co

Chevrolet Colorado 2019 2020 Wiring Diagrams Download PDF WORKSHOP MANUAL

HEADLIGHTS Chevrolet Colorado 2007 SYSTEM WIRING DIAGRAMS Wiring

All Wiring Diagrams for Chevrolet Colorado 2007 model Wiring diagrams

All Wiring Diagrams for Chevrolet Colorado 2007 model Wiring diagrams

All Wiring Diagrams for Chevrolet Colorado 2007 model Wiring diagrams

All Wiring Diagrams for Chevrolet Colorado 2007 model Wiring diagrams

All Wiring Diagrams for Chevrolet Colorado 2007 model Wiring diagrams

All Wiring Diagrams for Chevrolet Colorado 2007 model Wiring diagrams

All Wiring Diagrams for Chevrolet Colorado 2007 model Wiring diagrams

All Wiring Diagrams for Chevrolet Colorado 2007 model Wiring diagrams

All Wiring Diagrams for Chevrolet Colorado 2007 model Wiring diagrams

All Wiring Diagrams for Chevrolet Colorado 2007 model Wiring diagrams

All Wiring Diagrams for Chevrolet Colorado 2007 model Wiring diagrams

All Wiring Diagrams for Chevrolet Colorado 2007 model Wiring diagrams

All Wiring Diagrams for Chevrolet Colorado 2007 model Wiring diagrams

All Wiring Diagrams for Chevrolet Colorado 2007 model Wiring diagrams

All Wiring Diagrams for Chevrolet Colorado 2007 model Wiring diagrams

All Wiring Diagrams for Chevrolet Colorado 2007 model Wiring diagrams

All Wiring Diagrams for Chevrolet Colorado 2007 model Wiring diagrams

All Wiring Diagrams for Chevrolet Colorado 2007 model Wiring diagrams

All Wiring Diagrams for Chevrolet Colorado 2007 model Wiring diagrams

All Wiring Diagrams for Chevrolet Colorado 2012 model Wiring diagrams

2022 Chevrolet Colorado Service and Repair Manual Repair Surge

All Wiring Diagrams for Chevrolet Colorado 2012 Scheme electrice

DIAGRAMA ELECTRICO CHEVROLET COLORADO YouTube

2017 Chevy Colorado Radio Wiring

Wiring Diagram For 2017 Chevy Colorado - The pictures related to be able to Wiring Diagram For 2017 Chevy Colorado in the following paragraphs, hopefully they will can be useful and will increase your knowledge. Appreciate you for making the effort to be able to visit our website and even read our articles. Cya ~.

RSS Feed | Sitemaps
Copyright © 2025. By https://chevywiringdiagram.biz.id

close