Chevy Wiring Diagram

Wiring Diagram For 2004 Chevy Astro Trailer Hitch


Learn the basics of electrical wiring for the home, including wire and cable types, wire color codes and labeling, and essential wiring Electrical wiring is an electrical installation of cabling and associated devices such as switches, distribution boards, sockets, and


Conquer your fear of working with electrical wiring BY understanding the basics of electrical work and installing 3-switch wiring. Play it Want to learn the basics of home electrical wiring? This guide covers everything in this regard, including wire sizing, safety, color


Related Posts of Wiring Diagram For 2004 Chevy Astro Trailer Hitch :


Chevy Astro Trailer Wiring Diagram 187 Wiring Diagram

Chevy Astro Trailer Wiring Diagram Wiring Diagram

Chevy Astro Trailer Wiring Diagram Wiring Diagram

2003 Chevy Astro Van Wiring Diagram 187 Wiring Diagram

Chevy Astro Wiring Schematic Wiring Diagram

Chevy Astro Wiring Diagram Wiring Diagram


40+ Images of Wiring Diagram For 2004 Chevy Astro Trailer Hitch

Simple Wiring Guide for Chevy Astro Trailers

Learn the basics of electrical wiring for the home, including wire and cable types, wire color codes and labeling, and essential wiring


Electrical wiring is an electrical installation of cabling and associated devices such as switches, distribution boards, sockets, and


Conquer your fear of working with electrical wiring BY understanding the basics of electrical work and installing 3-switch wiring. Play it


Want to learn the basics of home electrical wiring? This guide covers everything in this regard, including wire sizing, safety, color


Our guide will walk you through the essentials of home electrical wiring, from planning and installation to safety



Gallery of Wiring Diagram For 2004 Chevy Astro Trailer Hitch :

Chevy Astro Wiring Schematic Wiring Diagram

Wiring Diagram for 2004 Chevy Silverado Trailer

Everything You Need to Know About Chevy Astro Trailer Wiring

Everything You Need to Know About Chevy Astro Trailer Wiring

Complete Wiring Diagram Guide for a 2000 Chevy Astro Van

2000 Chevy Astro Van Wiring Diagram Pdf 187 Wiring Diagram

2000 Chevy Astro Van Wiring Diagram 187 Wiring Diagram

2000 Astro Van Trailer Wiring Diagram for the men in charge of wiring

Chevy Astro Wiring Schematic 187 Wiring Digital And Schematic

Astro Van Wiring Diagram

Chevy Astro Trailer Wiring Diagram 2008 Chrysler 300 Stereo

Chevy Astro Wiring Schematic Wiring Diagram

Chevy Astro Wiring Schematic 187 Wiring Diagram

Chevy Astro Wiring Schematic 187 Wiring Diagram

04 Chevy Astro Oem Radio With Aux Cd Wiring Diagram Lt Wiring Diagram

Chevy Astro Van Ac Wiring Diagram

Chevy Astro Van Q amp A Camshaft Crank Starter Steering amp More

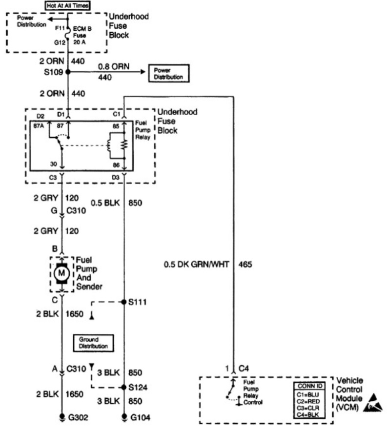
ENGINE PERFORMANCE Chevrolet Astro 2003 SYSTEM WIRING DIAGRAMS

TRUNK TAILGATE FUEL DOOR Chevrolet Astro 2000 SYSTEM WIRING

Diagrama El 233 ctrico Chevrolet Astro Van 2004 PDF

Chevy Astro Trailer Wiring Diagram 2008 Chrysler 300 Stereo

Chevy Astro Wiring Schematic Wiring Diagram

Chevy Astro Wiring Schematic 187 Wiring Diagram

Chevy Astro Wiring Schematic 187 Wiring Diagram

04 Chevy Astro Oem Radio With Aux Cd Wiring Diagram Lt Wiring Diagram

Chevy Astro Van Ac Wiring Diagram

Chevy Astro Van Q amp A Camshaft Crank Starter Steering amp More

ENGINE PERFORMANCE Chevrolet Astro 2003 SYSTEM WIRING DIAGRAMS

TRUNK TAILGATE FUEL DOOR Chevrolet Astro 2000 SYSTEM WIRING

Diagrama El 233 ctrico Chevrolet Astro Van 2004 PDF

2004 Chevrolet Astro fuse box diagram StartMyCar

2004 Chevrolet Astro fuse box diagram StartMyCar

Chevy Astro Van Towing Q amp A on Adding a Tow Package JustAnswer

All Wiring Diagrams for Chevrolet Astro 2000 Wiring diagrams for cars

All Wiring Diagrams for Chevrolet Astro 1999 Wiring diagrams for cars

All Wiring Diagrams for Chevrolet Astro 2005 Wiring diagrams for cars

All Wiring Diagrams for Chevrolet Astro 2003 model Wiring diagrams

All Wiring Diagrams for Chevrolet Astro 2003 model Wiring diagrams

All Wiring Diagrams for Chevrolet Astro 1994 model Wiring diagrams

Chevy Astro 1994 Door Parts Diagram amp Wiring Diagram JustAnswer

Chevy Astro 1994 Door Parts Diagram amp Wiring Diagram JustAnswer

Chevy Astro 1994 Door Parts Diagram amp Wiring Diagram JustAnswer

Silverado Wiring Diagrams

Diagrama De Arnes Chevy Express Van 2004 Chevrolet Express

Chevy Astro Van Q amp A Camshaft Crank Starter Steering amp More

ENGINE PERFORMANCE Chevrolet Astro 2003 SYSTEM WIRING DIAGRAMS

TRUNK TAILGATE FUEL DOOR Chevrolet Astro 2000 SYSTEM WIRING

Diagrama El 233 ctrico Chevrolet Astro Van 2004 PDF

Q amp A 1993 Chevy Astro Van 4 3 CMFI System Chevrolet Astro 1993 Fuse

2004 Chevrolet Astro fuse box diagram StartMyCar

2004 Chevrolet Astro fuse box diagram StartMyCar

Chevy Astro Van Towing Q amp A on Adding a Tow Package JustAnswer

All Wiring Diagrams for Chevrolet Astro 2000 Wiring diagrams for cars

All Wiring Diagrams for Chevrolet Astro 1999 Wiring diagrams for cars

All Wiring Diagrams for Chevrolet Astro 2005 Wiring diagrams for cars

All Wiring Diagrams for Chevrolet Astro 2003 model Wiring diagrams

All Wiring Diagrams for Chevrolet Astro 2003 model Wiring diagrams

All Wiring Diagrams for Chevrolet Astro 2003 model Wiring diagrams

All Wiring Diagrams for Chevrolet Astro 2003 model Wiring diagrams

All Wiring Diagrams for Chevrolet Astro 2003 model Wiring diagrams

All Wiring Diagrams for Chevrolet Astro 2003 model Wiring diagrams

All Wiring Diagrams for Chevrolet Astro 2002 model Wiring diagrams

All Wiring Diagrams for Chevrolet Astro 1994 model Wiring diagrams

All Wiring Diagrams for Chevrolet Astro 1994 model Wiring diagrams

Chevy Astro 1994 Door Parts Diagram amp Wiring Diagram JustAnswer

Chevy Astro 1994 Door Parts Diagram amp Wiring Diagram JustAnswer

Chevy Astro 1994 Door Parts Diagram amp Wiring Diagram JustAnswer

Silverado Wiring Diagrams

Wiring Diagram For 2004 Chevy Astro Trailer Hitch - The pictures related to be able to Wiring Diagram For 2004 Chevy Astro Trailer Hitch in the following paragraphs, hopefully they will can be useful and will increase your knowledge. Appreciate you for making the effort to be able to visit our website and even read our articles. Cya ~.

RSS Feed | Sitemaps
Copyright © 2025. By https://chevywiringdiagram.biz.id

close