Chevy Wiring Diagram

Wiring Diagram For 2002 Chevy Trailblazer


Learn the basics of electrical wiring for the home, including wire and cable types, wire color codes and labeling, and essential wiring Conquer your fear of working with electrical wiring BY understanding the basics of electrical work and installing 3-switch wiring. Play it


Working with household electrical wiring allows homeowners to install new fixtures, repair outlets, or upgrade lighting. While performing Get the ultimate guide to wiring with step-by-step instructions, diagrams, and tips. Learn everything from basic electrical concepts to


Related Posts of Wiring Diagram For 2002 Chevy Trailblazer :


2003 Chevy Trailblazer Wiring Diagram 187 Wiring Diagram

Radio Wiring Diagram 2002 Chevy Trailblazer Wiring Diagram

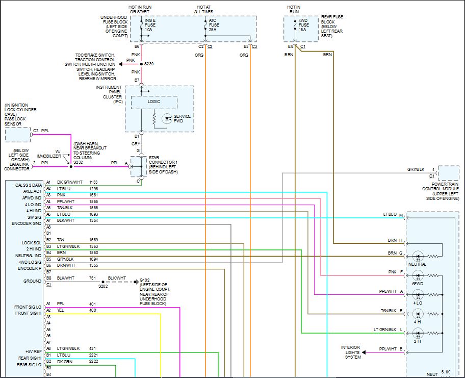
2002 Chevy Trailblazer Ignition Switch Wiring Diagram

2002 Chevy Trailblazer Ignition Switch Wiring Diagram

2002 Chevy Trailblazer Ignition Switch Wiring Diagram

2002 Chevy Trailblazer Ignition Switch Wiring Diagram


27+ Images of Wiring Diagram For 2002 Chevy Trailblazer

Chevy Trailblazer Radio Wiring Diagram

Learn the basics of electrical wiring for the home, including wire and cable types, wire color codes and labeling, and essential wiring


Conquer your fear of working with electrical wiring BY understanding the basics of electrical work and installing 3-switch wiring. Play it


Working with household electrical wiring allows homeowners to install new fixtures, repair outlets, or upgrade lighting. While performing


Get the ultimate guide to wiring with step-by-step instructions, diagrams, and tips. Learn everything from basic electrical concepts to


Our guide will walk you through the essentials of home electrical wiring, from planning and installation to safety



Gallery of Wiring Diagram For 2002 Chevy Trailblazer :

How to Install a Radio in a 2002 Chevy Trailblazer Wiring Diagram and

2002 Chevy Trailblazer Tail Light Wiring Diagram

2004 Chevy Trailblazer Electrical Schematic Wiring Diagram

Wiring Diagram for 2002 Chevy Trailblazer Radio

Wiring Diagram for 2002 Chevy Trailblazer Radio

Wiring Diagram for 2002 Chevy Trailblazer Radio

Simple Guide to Wiring Your 2002 Chevy Trailblazer Stereo

2002 Chevy Trailblazer Ltz Radio Wiring Diagram Wiring Diagram Pictures

Unlock the Secrets 2002 Trailblazer Wiring Diagram Revealed

Unlock the Secrets 2002 Trailblazer Wiring Diagram Revealed

Unlock the Secrets 2002 Trailblazer Wiring Diagram Revealed

2002 Chevy Trailblazer Radio Wiring Harness Diagram Database

2002 Chevy Trailblazer Wiring Diagram For Your Needs

2002 Chevy Trailblazer Stereo Wiring Diagram Database Faceitsalon com

2002 Trailblazer Wiring Diagram Database

2002 Chevy Trailblazer Parts Diagram Wiring Site Resource

2002 Chevy Trailblazer Engine Diagram My Wiring DIagram

2002 Chevy Trailblazer Engine Diagram My Wiring DIagram

Chevy Trailblazer Radio Wiring Diagram

Exploring the Fuse Box Diagram for a 2002 Chevy Trailblazer

2002 Chevy Trailblazer Radio Wiring Harness Diagram Database

2002 Chevy Trailblazer Wiring Diagram For Your Needs

2002 Chevy Trailblazer Stereo Wiring Diagram Database Faceitsalon com

2002 Trailblazer Wiring Diagram Database

2002 Chevy Trailblazer Parts Diagram Wiring Site Resource

2002 Chevy Trailblazer Engine Diagram My Wiring DIagram

2002 Chevy Trailblazer Engine Diagram My Wiring DIagram

Chevy Trailblazer Radio Wiring Diagram

2002 Trailblazer Radio Wiring Diagram My Wiring DIagram

Exploring the Fuse Box Diagram for a 2002 Chevy Trailblazer

2002 Chevy Blazer Wiring Diagram Database

Troubleshooting the Wiring Harness for an Aftermarket Radio in a 2002

2002 Chevy Trailblazer Fuse Diagram Wiring Diagram

2003 Chevy Trailblazer Hvac Wiring Diagram

All Wiring Diagrams for Chevrolet TrailBlazer 2002 Wiring diagrams

POWER DISTRIBUTION Chevrolet TrailBlazer 2002 SYSTEM WIRING

All Wiring Diagrams for Chevrolet TrailBlazer 2002 Wiring diagrams

All Wiring Diagrams for Chevrolet TrailBlazer 2002 Wiring diagrams

All Wiring Diagrams for Chevrolet TrailBlazer 2002 Wiring diagrams

All Wiring Diagrams for Chevrolet TrailBlazer 2002 Wiring diagrams

All Wiring Diagrams for Chevrolet TrailBlazer 2002 Wiring diagrams

All Wiring Diagrams for Chevrolet TrailBlazer 2002 Wiring diagrams

All Wiring Diagrams for Chevrolet TrailBlazer 2002 Wiring diagrams

All Wiring Diagrams for Chevrolet TrailBlazer 2002 Wiring diagrams

All Wiring Diagrams for Chevrolet TrailBlazer 2002 Wiring diagrams

All Wiring Diagrams for Chevrolet TrailBlazer 2002 Wiring diagrams

All Wiring Diagrams for Chevrolet TrailBlazer 2002 Wiring diagrams

Ignition System Wiring Diagram 2002 2005 4 2L Chevrolet TrailBlazer

All Wiring Diagrams for Chevrolet TrailBlazer 2002 Wiring diagrams

POWER DISTRIBUTION Chevrolet TrailBlazer 2002 SYSTEM WIRING

POWER DISTRIBUTION Chevrolet TrailBlazer 2002 SYSTEM WIRING

2002 Chevy Trailblazer Engine Diagram My Wiring DIagram Chevy

All Wiring Diagrams for Chevrolet TrailBlazer 2002 Wiring diagrams

All Wiring Diagrams for Chevrolet TrailBlazer 2002 Wiring diagrams

All Wiring Diagrams for Chevrolet TrailBlazer 2002 Wiring diagrams

All Wiring Diagrams for Chevrolet TrailBlazer 2002 Wiring diagrams

All Wiring Diagrams for Chevrolet TrailBlazer 2002 Wiring diagrams

All Wiring Diagrams for Chevrolet TrailBlazer 2002 Wiring diagrams

All Wiring Diagrams for Chevrolet TrailBlazer 2002 Wiring diagrams

All Wiring Diagrams for Chevrolet TrailBlazer 2002 Wiring diagrams

All Wiring Diagrams for Chevrolet TrailBlazer 2002 Wiring diagrams

All Wiring Diagrams for Chevrolet TrailBlazer 2002 Wiring diagrams

All Wiring Diagrams for Chevrolet TrailBlazer 2002 Wiring diagrams

All Wiring Diagrams for Chevrolet TrailBlazer 2002 Wiring diagrams

All Wiring Diagrams for Chevrolet TrailBlazer 2002 Wiring diagrams

All Wiring Diagrams for Chevrolet TrailBlazer 2002 Wiring diagrams

All Wiring Diagrams for Chevrolet TrailBlazer 2002 Wiring diagrams

All Wiring Diagrams for Chevrolet TrailBlazer 2002 Wiring diagrams

All Wiring Diagrams for Chevrolet TrailBlazer 2002 Wiring diagrams

All Wiring Diagrams for Chevrolet TrailBlazer 2002 Wiring diagrams

All Wiring Diagrams for Chevrolet TrailBlazer 2002 Wiring diagrams

All Wiring Diagrams for Chevrolet TrailBlazer 2002 Wiring diagrams

All Wiring Diagrams for Chevrolet TrailBlazer 2002 Wiring diagrams

All Wiring Diagrams for Chevrolet TrailBlazer 2002 Wiring diagrams

Wiring Diagram For 2002 Chevy Trailblazer - The pictures related to be able to Wiring Diagram For 2002 Chevy Trailblazer in the following paragraphs, hopefully they will can be useful and will increase your knowledge. Appreciate you for making the effort to be able to visit our website and even read our articles. Cya ~.

RSS Feed | Sitemaps
Copyright © 2025. By https://chevywiringdiagram.biz.id

close