Chevy Wiring Diagram

Wiring Diagram For 1965 Chevy Pickup


Learn the basics of electrical wiring for the home, including wire and cable types, wire color codes and labeling, and essential wiring Electrical wiring is an electrical installation of cabling and associated devices such as switches, distribution boards, sockets, and


Conquer your fear of working with electrical wiring BY understanding the basics of electrical work and installing 3-switch wiring. Play it Want to learn the basics of home electrical wiring? This guide covers everything in this regard, including wire sizing, safety, color


Related Posts of Wiring Diagram For 1965 Chevy Pickup :


1965 Chevy Wiring Diagram

1965 Chevy Wiring Diagram

1965 Chevy Wiring Diagram Wiring Diagram

1965 Chevy C10 Ignition Switch Wiring Diagram

1965 chevy c10 dash wiring diagram Wiring Diagram

1965 Ford Pickup Wiring Diagram


25+ Images of Wiring Diagram For 1965 Chevy Pickup

1965 Ford Pickup Wiring Diagram

Learn the basics of electrical wiring for the home, including wire and cable types, wire color codes and labeling, and essential wiring


Electrical wiring is an electrical installation of cabling and associated devices such as switches, distribution boards, sockets, and


Conquer your fear of working with electrical wiring BY understanding the basics of electrical work and installing 3-switch wiring. Play it


Want to learn the basics of home electrical wiring? This guide covers everything in this regard, including wire sizing, safety, color


Our guide will walk you through the essentials of home electrical wiring, from planning and installation to safety



Gallery of Wiring Diagram For 1965 Chevy Pickup :

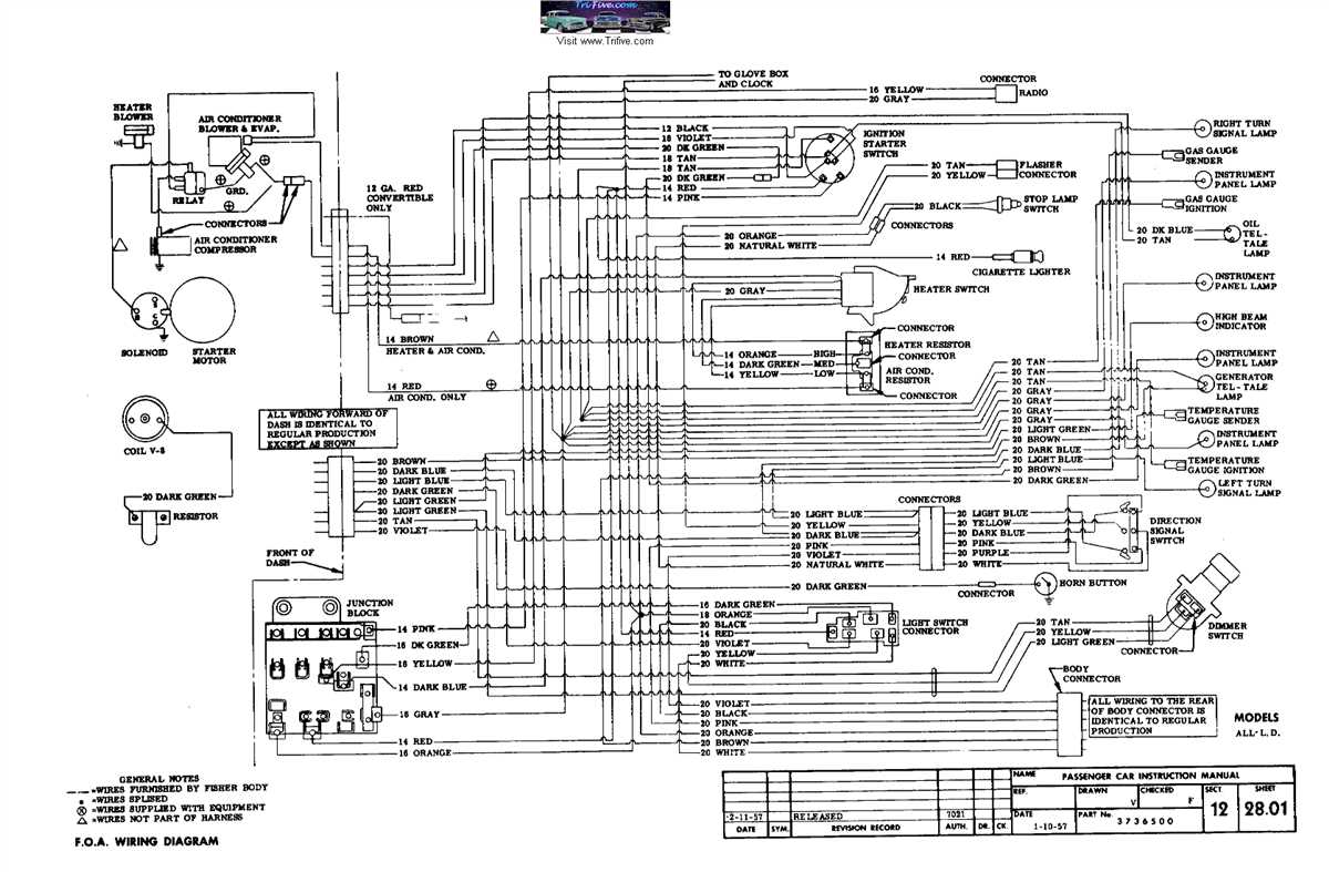
Understanding the Wiring Diagram for a 1965 Chevy Truck

Unveiling the Wiring Diagram for the Classic 1965 Chevy A Visual Guide

1965 Chevy Truck Wiring Diagram Collection

1965 Chevy C10 Wiring Diagram

How to Wire the Dash of a 1965 Chevy C10 A Step by Step Guide

Electrical Wiring Diagram 1965 Chevy C10

Ecklers Truck Wiring Diagram 1965 C10 Pickup 1965 C20 Pickup 1965

1965 Chevrolet C10 Wiring Diagram Wiring Diagram

1965 Chevy C10 Wiring Diagram Wiring Site Resource

Complete Wiring Diagram for a 1965 Chevy Truck

1965 Chevrolet Wiring Diagram Panel switch wiring

The Complete Guide to the 1965 Chevelle Wiring Diagram

Starting Wiring Diagram For A 1965 Chevy Pickup 1965 Chevrol

1965 Chevy C10 Tail Light Wiring Diagram Ecoced

Starting Wiring Diagram For A 1965 Chevy Pickup 1965 Chevrol

1965 Chevy Wiring Diagram

1965 Chevy Truck Turn Signal Wiring Diagram

Starting Wiring Diagram For A 1965 Chevy Pickup 1965 Chevrol

66 Chevy Pickup Wiring Diagram 1964 Chevy C10 Wiring Diagram

Wiring Diagram 1964 Chevy Truck

1965 Chevrolet Wiring Diagram Panel switch wiring

1965 Chevy Truck Wiring Diagram Wiring Diagram

The Complete Guide to the 1965 Chevelle Wiring Diagram

Starting Wiring Diagram For A 1965 Chevy Pickup 1965 Chevrol

1965 Chevy C10 Tail Light Wiring Diagram Ecoced

How to Decode the 1965 Chevy Truck Wiring Schematic for DIY Repairs

Starting Wiring Diagram For A 1965 Chevy Pickup 1965 Chevrol

1965 Chevy Wiring Diagram

65 Chevy Truck Wiring Diagram Fold Hut

1965 Chevy Truck Turn Signal Wiring Diagram

Starting Wiring Diagram For A 1965 Chevy Pickup 1965 Chevrol

66 Chevy Pickup Wiring Diagram 1964 Chevy C10 Wiring Diagram

Wiring Diagram 1964 Chevy Truck

1965 Chevy Truck Wiring Schematic

1965 Chevy C10 Pickup Truck Fuse Box Diagram Wiring Stumptowngamemachine

Chevy Wiring Diagrams Schematics

57 65 Chevy Wiring Diagrams

57 65 Chevy Wiring Diagrams

JEGS 19185 Wiring Diagram 1965 Chevy C K Series Truck 11 in x 17 in

1965 Chevy Truck Wiring Schematic

1965 Chevy C10 Pickup Truck Fuse Box Diagram Wiring Stumptowngamemachine

65 Chevy Truck Wiring Diagram 29 Chevrolet Truck Wiring F

Fuse Box Diagram For 1965 Chevelle

Chevy Wiring Diagrams Schematics

1965 Ford Truck Wiring Diagrams FORDification info The 61 66 Ford

57 65 Chevy Wiring Diagrams

57 65 Chevy Wiring Diagrams

Ray s Chevy Restoration Site Gauges in a 66 Chevy Truck

15 65 Chevy Truck Wiring Diagram Chevy trucks Chevy c10 1966 chevy

Ray s Chevy Restoration Site Gauges in a 66 Chevy Truck

Wiring Diagram For 1965 Chevy Pickup - The pictures related to be able to Wiring Diagram For 1965 Chevy Pickup in the following paragraphs, hopefully they will can be useful and will increase your knowledge. Appreciate you for making the effort to be able to visit our website and even read our articles. Cya ~.

RSS Feed | Sitemaps
Copyright © 2025. By https://chevywiringdiagram.biz.id

close