Chevy Wiring Diagram

Wiring Diagram 2000 Chevy S10


Learn the basics of electrical wiring for the home, including wire and cable types, wire color codes and labeling, and essential wiring Conquer your fear of working with electrical wiring BY understanding the basics of electrical work and installing 3-switch wiring. Play it


Working with household electrical wiring allows homeowners to install new fixtures, repair outlets, or upgrade lighting. While performing Get the ultimate guide to wiring with step-by-step instructions, diagrams, and tips. Learn everything from basic electrical concepts to


Related Posts of Wiring Diagram 2000 Chevy S10 :


Wiring Diagram 2000 Chevy Blazer

Wiring Diagram 2000 Chevy Blazer Wiring Diagram

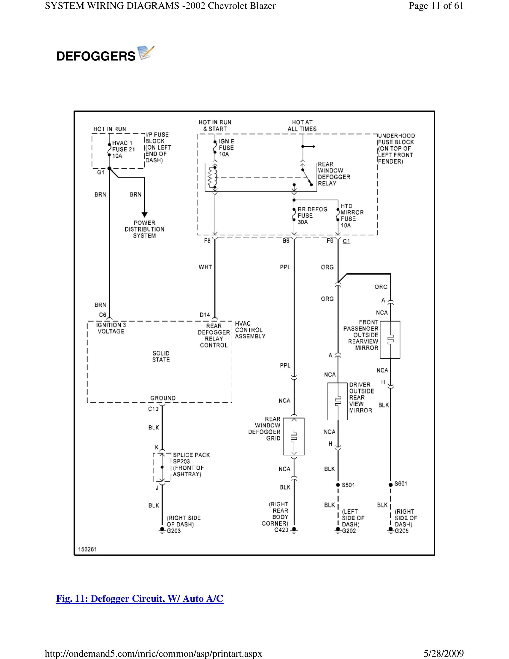
2000 Chevy S10 Ac Wiring Diagram Wiring Diagram

2002 Chevy S10 Wiring Diagram

Chevy S10 Alternator Wiring Diagram

Wiring diagram for a 2000 Chevy S10


55+ Images of Wiring Diagram 2000 Chevy S10

Wiring diagram for a 2000 Chevy S10

Learn the basics of electrical wiring for the home, including wire and cable types, wire color codes and labeling, and essential wiring


Conquer your fear of working with electrical wiring BY understanding the basics of electrical work and installing 3-switch wiring. Play it


Working with household electrical wiring allows homeowners to install new fixtures, repair outlets, or upgrade lighting. While performing


Get the ultimate guide to wiring with step-by-step instructions, diagrams, and tips. Learn everything from basic electrical concepts to


Our guide will walk you through the essentials of home electrical wiring, from planning and installation to safety



Gallery of Wiring Diagram 2000 Chevy S10 :

Radio Wiring Diagram For 2000 Chevy S10 Circuit Diagram

Chevy S10 Electrical Schematics Wiring Diagram

Wiring Diagram for 2000 Chevy S10 Ignition System

2000 Chevy S10 Wiring Diagram

2000 Chevy S10 Stereo Wiring Diagram Database

2000 Chevy S10 Headlight Wiring Diagram Database

Chevy S10 Wiring Diagram My Wiring DIagram

Chevy S10 Wiring Diagram My Wiring DIagram

2000 Chevy S10 Wiring Diagram American Hydroelectric Practice A

wiring diagram chevrolet s10 pickup Wiring Diagram

2000 Chevy S10 Steering Column Wiring Diagram For Your Needs

Chevy S10 Wiring Harness Diagram

2000 Chevy S10 Wiring

2000 Chevy S10 Wiring Harness Diagram

2000 Chevy S10 Wiring Diagram For Radio

Free 2003 4 3 Chevy S10 Wiring Diagram

GM Instrument Cluster Wiring Diagram Chevy S10 amp Truck 2000

Chevy S10 Starter Diagram Wiring Ignition Switch Diagram S10

2000 Chevrolet Blazer Wiring Diagram

All Wiring Diagrams for Chevrolet S10 Pickup 2000 Wiring diagrams for

Chevy S10 Wiring Diagram My Wiring DIagram

Chevy S10 Wiring Diagram My Wiring DIagram

2000 Chevy S10 Wiring Diagram My Wiring DIagram

2000 Chevy S10 Wiring Diagram American Hydroelectric Practice A

2000 Chevy S10 Radio Wiring Diagram Collection Faceitsalon com

Chevy S10 2 8l Wiring Diagram Wiring Diagram Pictures

wiring diagram chevrolet s10 pickup Wiring Diagram

2000 Chevy S10 Steering Column Wiring Diagram For Your Needs

Chevy S10 Wiring Harness Diagram

Chevy S10 Wiring Harness Diagram

2000 Chevy S10 Wiring

2000 Chevy S10 Wiring Harness Diagram

2000 Chevy S10 Wiring Diagram For Radio

Free 2003 4 3 Chevy S10 Wiring Diagram

GM Instrument Cluster Wiring Diagram Chevy S10 amp Truck 2000

Chevy S10 Starter Diagram Wiring Ignition Switch Diagram S10

Chevrolet S10 Wiring Diagram

2000 Chevrolet Blazer Wiring Diagram

All Wiring Diagrams for Chevrolet S10 Pickup 2000 Wiring diagrams for

All Wiring Diagrams for Chevrolet S10 Pickup 2000 Wiring diagrams for

All Wiring Diagrams for Chevrolet S10 Pickup 2000 Wiring diagrams for

All Wiring Diagrams for Chevrolet S10 Pickup 2002 Wiring diagrams for

GM Instrument Cluster Wiring Diagram Chevy S10 amp Truck 2000

Diagrama De Motor Chevy S10 1999 Descarga Gratis El Esquema

Chevy S10 Starter Diagram Wiring Ignition Switch Diagram S10

Chevrolet S10 Wiring Diagram

Chevrolet S10 Wiring Diagram

2000 Chevrolet Blazer Wiring Diagram

All Wiring Diagrams for Chevrolet S10 Pickup 2000 Wiring diagrams for

All Wiring Diagrams for Chevrolet S10 Pickup 2000 Wiring diagrams for

All Wiring Diagrams for Chevrolet S10 Pickup 2000 Wiring diagrams for

All Wiring Diagrams for Chevrolet S10 Pickup 2000 Wiring diagrams for

All Wiring Diagrams for Chevrolet S10 Pickup 2002 Wiring diagrams for

Wiring Diagram 2000 Chevy S10 - The pictures related to be able to Wiring Diagram 2000 Chevy S10 in the following paragraphs, hopefully they will can be useful and will increase your knowledge. Appreciate you for making the effort to be able to visit our website and even read our articles. Cya ~.

RSS Feed | Sitemaps
Copyright © 2025. By https://chevywiringdiagram.biz.id

close