Chevy Wiring Diagram

2014 Chevy Tahoe Police Package Wiring Diagram


Like this: Loading... This entry was posted in Fungi, Mushrooms, recipes on April 21, 2014. Monthly Archives: April 2014 Sichuan Pickled Fiddleheads with Ground Pork Leave a reply


I’m excited to share the news that The Mushroom Hunters has won a 2014 Pacific Northwest Book Award! Some of my favorite Like this: Loading... This entry was posted in clamming, clams, classes, Good Action, razor clams, recipes, Shellfish on April 4, 2014.


Related Posts of 2014 Chevy Tahoe Police Package Wiring Diagram :


2014 Acura TSX SE Picture 89628

2014 Mercedes Benz S Class Picture 85407

2014 Nr 1512 1514 St 228 dte der CH ET Voll Stempel ECKTABS Gebraucht

2014 Nr 1526 1529 quot Weihnachten quot mit ET Voll Stempel TAB Gebraucht

2014 2019 Kia Cadenza Interior Rear View Mirror Replacement OEM P N GN

LEGO 174 40106 Creator Toy Workshop Limited Edition 2014 Neu gem 228 ss


45+ Images of 2014 Chevy Tahoe Police Package Wiring Diagram

LEGO 174 40106 Creator Toy Workshop Limited Edition 2014 Neu gem 228 ss

Like this: Loading... This entry was posted in Fungi, Mushrooms, recipes on April 21, 2014.


Monthly Archives: April 2014 Sichuan Pickled Fiddleheads with Ground Pork Leave a reply


I’m excited to share the news that The Mushroom Hunters has won a 2014 Pacific Northwest Book Award! Some of my favorite


Like this: Loading... This entry was posted in clamming, clams, classes, Good Action, razor clams, recipes, Shellfish on April 4, 2014.


Share this: Like this: Loading... This entry was posted in Fungi, Morels, Mushrooms on May 7, 2014.



Gallery of 2014 Chevy Tahoe Police Package Wiring Diagram :

2014 BMW 3 320i Xdrive used for sale 25IB6589A

Structure Decks Yu Gi Oh 1 Auflage 2014 17 inkl Porto Gebraucht

Semaphor Sonderausgabe Jahrgang 2014 Eisenbahnen ab Fr 9 90 Gebraucht

Panini FIFA WM 2014 Brasilien Album Top Zustand Gebraucht in

FORD FOCUS 2014 Ajax Kenny U Pull

2014 Chevrolet Malibu LT in Bountiful UT KSL Cars

2014 Aston Martin Vanquish VIN SCFLDCFP5EGJ00764 CLASSIC COM

Semaphor Sonderausgabe 2014 100 Jahre BOB Hge 3 3 Gebraucht in Buchs

2014 Toyota RAV4 LE AWD GR 201 LECTRIQUE A C used for sale at 10 988

BMW 435 2014 Tampere Huutokaupat com

2014 Modelo de Gestion Teatro Cervantes PDF Teatro Chile

Motor Limpador Parabrisa GM Tracker 2014 a 2020

BMW 435 2014 Tampere Huutokaupat com

2014 Honda Accord in Orem UT KSL Cars

2014 Nissan Altima 2 5 S in Harrisville UT KSL Cars

HYUNDAI VELOSTER 2014 Trois Rivi 232 res Kenny U Pull

MITSUBISHI MIRAGE 2014 St Augustin Kenny U Pull

RedChristmas 25 Santenay 1er Cru Remoissenet 2014 Gebraucht in

TOYOTA CAMRY 2014 St Catharines Kenny U Pull

Mercedes Benz E 2014 Vantaa Huutokaupat com

2014 Acura TSX SE Picture 89628

2014 Mercedes Benz S Class Picture 85407

2014 Nr 1512 1514 St 228 dte der CH ET Voll Stempel ECKTABS Gebraucht

2014 Nr 1526 1529 quot Weihnachten quot mit ET Voll Stempel TAB Gebraucht

2014 2019 Kia Cadenza Interior Rear View Mirror Replacement OEM P N GN

LEGO 174 40106 Creator Toy Workshop Limited Edition 2014 Neu gem 228 ss

LEGO 174 40106 Creator Toy Workshop Limited Edition 2014 Neu gem 228 ss

2014 BMW 3 320i Xdrive used for sale 25IB6589A

2014 BMW 3 320i Xdrive used for sale 25IB6589A

Structure Decks Yu Gi Oh 1 Auflage 2014 17 inkl Porto Gebraucht

Semaphor Sonderausgabe Jahrgang 2014 Eisenbahnen ab Fr 9 90 Gebraucht

Panini FIFA WM 2014 Brasilien Album Top Zustand Gebraucht in

FORD FOCUS 2014 Ajax Kenny U Pull

2014 Chevrolet Malibu LT in Bountiful UT KSL Cars

2014 Aston Martin Vanquish VIN SCFLDCFP5EGJ00764 CLASSIC COM

Semaphor Sonderausgabe 2014 100 Jahre BOB Hge 3 3 Gebraucht in Buchs

2014 Toyota RAV4 LE AWD GR 201 LECTRIQUE A C used for sale at 10 988

BMW 435 2014 Tampere Huutokaupat com

2014 Modelo de Gestion Teatro Cervantes PDF Teatro Chile

Motor Limpador Parabrisa GM Tracker 2014 a 2020

BMW 435 2014 Tampere Huutokaupat com

2014 Honda Accord in Orem UT KSL Cars

2014 Nissan Altima 2 5 S in Harrisville UT KSL Cars

HYUNDAI VELOSTER 2014 Trois Rivi 232 res Kenny U Pull

MITSUBISHI MIRAGE 2014 St Augustin Kenny U Pull

RedChristmas 25 Santenay 1er Cru Remoissenet 2014 Gebraucht in

TOYOTA CAMRY 2014 St Catharines Kenny U Pull

Mercedes Benz E 2014 Vantaa Huutokaupat com

Electrical wiring diagrams for car Chevrolet Tahoe GMT800 Chevrolet

All Wiring Diagrams for Ford Police Interceptor Sedan 2014 Wiring

Electrical wiring diagrams for car Chevrolet Tahoe GMT400 Chevrolet

All Wiring Diagrams for Ford Police Interceptor Sedan 2014 Wiring

Electrical wiring diagrams for car Chevrolet Tahoe GMT400 Chevrolet

ANTI THEFT Chevrolet Silverado 1500 WT 2014 SYSTEM WIRING DIAGRAMS

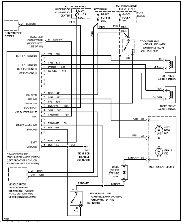
Service 4 Wheel Drive On Chevy Tahoe at Lucinda Mccathie blog

All Wiring Diagrams for Chevrolet Tahoe LS 2013 model Wiring diagrams

Free PDF chevrolet tahoe electrical wiring diagram prorepairmanual com

Chevrolet Tahoe 2015 2020 Workshop Repair Manual Download PDF

All Wiring Diagrams for Chevrolet Tahoe LTZ 2013 Wiring diagrams for cars

All Wiring Diagrams for Chevrolet Tahoe LTZ 2013 Wiring diagrams for cars

All Wiring Diagrams for Chevrolet Tahoe LTZ 2013 Wiring diagrams for cars

All Wiring Diagrams for Chevrolet Tahoe LTZ 2013 Wiring diagrams for cars

All Wiring Diagrams for Chevrolet Tahoe LTZ 2013 Wiring diagrams for cars

All Wiring Diagrams for Chevrolet Tahoe LS 2013 model Wiring diagrams

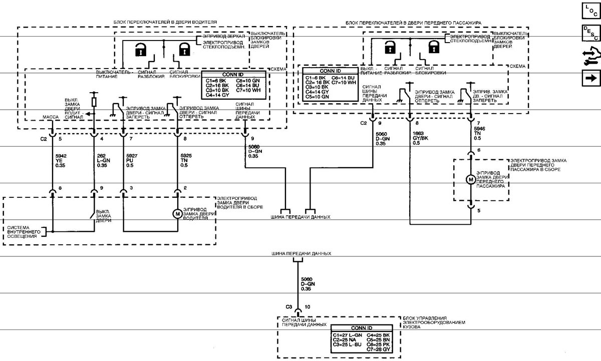
Central locking front and rear doors Chevrolet Tahoe 2 and 3 2000

CHEVROLET TAHOE Wiring Diagrams Car Electrical Wiring Diagram

CHEVROLET TAHOE Wiring Diagrams Car Electrical Wiring Diagram

Chevrolet Tahoe LTZ 2013 Wiring

Chevrolet Tahoe LTZ 2013 Wiring

Chevrolet Tahoe 2011 Wiring

Chevrolet Tahoe LS 2013 Wiring diagrams

Chevrolet Tahoe LTZ 2013 Wiring

Chevrolet Tahoe 2009 Wiring

graphic Security lights Headlamp light Chevy tahoe

2014 Chevrolet Tahoe 2WD Police Package UTILITY 4 DR 5 3L V8 GovDeals

2014 Chevrolet Tahoe 2WD Police Package UTILITY 4 DR 5 3L V8 AllSurplus

2014 Chevy Tahoe Police Package Wiring Diagram - The pictures related to be able to 2014 Chevy Tahoe Police Package Wiring Diagram in the following paragraphs, hopefully they will can be useful and will increase your knowledge. Appreciate you for making the effort to be able to visit our website and even read our articles. Cya ~.

RSS Feed | Sitemaps
Copyright © 2025. By https://chevywiringdiagram.biz.id

close