Chevy Wiring Diagram

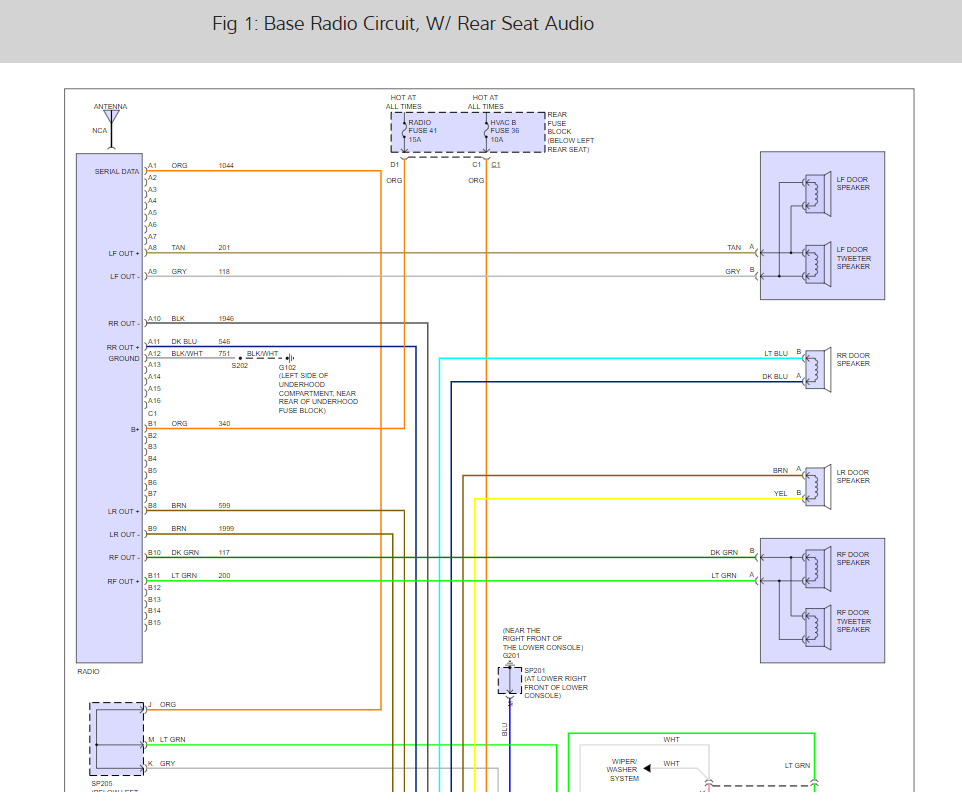
2003 Chevy Trailblazer Xt Delco Radio Wiring Diagram


Inspired by many other restoration efforts of shows here on reddit, as well as older upscales of this series, we bring you our take on The truth is that 2003 Grievous just doesn't work in the star wars Universe. Clone Wars 2003 was cool, but it's by no


Welcome! This subreddit is your best place for NASCAR Racing 2003 Season news, updates and resources. We're dedicated to keeping this I installed MAME 2003 Plus core for RetroArch, but nothing happens when I try playing a file. I tried all other MAME cores in RetroArch, but


Related Posts of 2003 Chevy Trailblazer Xt Delco Radio Wiring Diagram :


2003 Retrospective The Best Films of 2003 DeFacto Film Reviews

2003 Short 2021 IMDb

2003 Film Review

Year 2003 fun facts trivia and history Artofit

New year 2003 in gold 3D stock illustration Illustration of design

2003 by Squarepant2395 on DeviantArt


30+ Images of 2003 Chevy Trailblazer Xt Delco Radio Wiring Diagram

2003 Movies Tehn Has Watched By Year Lists

Inspired by many other restoration efforts of shows here on reddit, as well as older upscales of this series, we bring you our take on


The truth is that 2003 Grievous just doesn't work in the star wars Universe. Clone Wars 2003 was cool, but it's by no


Welcome! This subreddit is your best place for NASCAR Racing 2003 Season news, updates and resources. We're dedicated to keeping this


I installed MAME 2003 Plus core for RetroArch, but nothing happens when I try playing a file. I tried all other MAME cores in RetroArch, but


I bought Crunchyroll just to watch Full Metal Alchemist: Brotherhood and Full Metal Alchemist (2003) but I couldn't find it there.



Gallery of 2003 Chevy Trailblazer Xt Delco Radio Wiring Diagram :

30 2003 Illustrations Stock Illustrations Royalty Free Vector

Happy 20th Anniversary of My Favorite 2003 Movies by myjosephpatty2002

2003 History Events What Happened in 2003

Year 2003 in History Important Historical Events of the year 2003

Wholesale Certificates

30 2003 Illustrations Stock Illustrations Royalty Free Vector

87 2003 Calendar Royalty Free Images Stock Photos amp Pictures

MikaelaqoJordan

UK49s Teatime Results 2003

The year 2003 hi res stock photography and images Alamy

2003 Calendar Pop Culture Prices and Events

2003 Raven CBBC TV series Wiki FANDOM powered by Wikia

970 2003 Pictures Stock Photos Pictures amp Royalty Free Images iStock

What Happened In 2003 Historical Facts About Us History The Year You

2003

2003 Text Effect and Logo Design Number

W stron s o ca 30 lat Polsatu Rok 2003 Zobacz wideo Polsat pl

Wallpaper Numbers 2003

87 2003 Calendar Royalty Free Images Stock Photos amp Pictures

2003 Text Effect and Logo Design Number

2003 Retrospective The Best Films of 2003 DeFacto Film Reviews

2003 Short 2021 IMDb

2003 Film Review

Year 2003 fun facts trivia and history Artofit

New year 2003 in gold 3D stock illustration Illustration of design

2003 by Squarepant2395 on DeviantArt

2003 Movies Tehn Has Watched By Year Lists

Michael Jackson 2003

30 2003 Illustrations Stock Illustrations Royalty Free Vector

Happy 20th Anniversary of My Favorite 2003 Movies by myjosephpatty2002

2003 History Events What Happened in 2003

Year 2003 in History Important Historical Events of the year 2003

Wholesale Certificates

30 2003 Illustrations Stock Illustrations Royalty Free Vector

87 2003 Calendar Royalty Free Images Stock Photos amp Pictures

MikaelaqoJordan

UK49s Teatime Results 2003

The year 2003 hi res stock photography and images Alamy

2003 Calendar Pop Culture Prices and Events

2003 Raven CBBC TV series Wiki FANDOM powered by Wikia

970 2003 Pictures Stock Photos Pictures amp Royalty Free Images iStock

What Happened In 2003 Historical Facts About Us History The Year You

2003

2003 Text Effect and Logo Design Number

W stron s o ca 30 lat Polsatu Rok 2003 Zobacz wideo Polsat pl

Wallpaper Numbers 2003

87 2003 Calendar Royalty Free Images Stock Photos amp Pictures

2003 Text Effect and Logo Design Number

2003 Retrospective The Best Films of 2003 DeFacto Film Reviews

2003 Short 2021 IMDb

2003 Film Review

Year 2003 fun facts trivia and history Artofit

New year 2003 in gold 3D stock illustration Illustration of design

2003 by Squarepant2395 on DeviantArt

2003 Movies Tehn Has Watched By Year Lists

Michael Jackson 2003

30 2003 Illustrations Stock Illustrations Royalty Free Vector

Happy 20th Anniversary of My Favorite 2003 Movies by myjosephpatty2002

2003 History Events What Happened in 2003

Year 2003 in History Important Historical Events of the year 2003

Wholesale Certificates

30 2003 Illustrations Stock Illustrations Royalty Free Vector

87 2003 Calendar Royalty Free Images Stock Photos amp Pictures

MikaelaqoJordan

UK49s Teatime Results 2003

The year 2003 hi res stock photography and images Alamy

2003 Calendar Pop Culture Prices and Events

2003 Raven CBBC TV series Wiki FANDOM powered by Wikia

970 2003 Pictures Stock Photos Pictures amp Royalty Free Images iStock

What Happened In 2003 Historical Facts About Us History The Year You

2003

2003 Text Effect and Logo Design Number

W stron s o ca 30 lat Polsatu Rok 2003 Zobacz wideo Polsat pl

Wallpaper Numbers 2003

87 2003 Calendar Royalty Free Images Stock Photos amp Pictures

2003 Text Effect and Logo Design Number

2003 Chevy Trailblazer Xt Delco Radio Wiring Diagram - The pictures related to be able to 2003 Chevy Trailblazer Xt Delco Radio Wiring Diagram in the following paragraphs, hopefully they will can be useful and will increase your knowledge. Appreciate you for making the effort to be able to visit our website and even read our articles. Cya ~.

RSS Feed | Sitemaps
Copyright © 2025. By https://chevywiringdiagram.biz.id

close