Chevy Wiring Diagram

2000 Chevy Blazer Gauge Cluster Wiring Diagram


2000 (MM) was a century leap year starting on Saturday of the Gregorian calendar, the 2000th year of the Common Era (CE) and Anno Domini Major events of 2000, including the turn of the millennium, the dot-com bubble burst, and more. Explore our detailed timeline and understand


Historical events from year 2000. Learn about 243 famous, scandalous and important events that happened in 2000 or search by date or Discover the most significant events of 2000, from world-changing political decisions to cultural milestones. Explore the


Related Posts of 2000 Chevy Blazer Gauge Cluster Wiring Diagram :


15 things you probably forgot happened in 2000

Flashback To The Year 2000 Two Minute Look YouTube

The 2000s Decade of Hope and Turmoil

The 2000s NationalGeographic

MEO

Bookfoolery Monday Malarkey Arrivals posts finished books


25+ Images of 2000 Chevy Blazer Gauge Cluster Wiring Diagram

2000 2000 21

2000 (MM) was a century leap year starting on Saturday of the Gregorian calendar, the 2000th year of the Common Era (CE) and Anno Domini


Major events of 2000, including the turn of the millennium, the dot-com bubble burst, and more. Explore our detailed timeline and understand


Historical events from year 2000. Learn about 243 famous, scandalous and important events that happened in 2000 or search by date or


Discover the most significant events of 2000, from world-changing political decisions to cultural milestones. Explore the


This date in 2000 was a pivotal moment in U.S. history, as the presidential election results in a statistical tie between Democrat Al Gore and



Gallery of 2000 Chevy Blazer Gauge Cluster Wiring Diagram :

2 000th Comment 171 St Peter s Primary Bray Blog

DI TUTTO E DI PIU Le 2000

2000 Compilation by Various Artists Spotify

FTC 2013 Disclosures What Marketers Need to Know

2000 Stock Photos Pictures amp Royalty Free Images iStock

Best Number 2000 Stock Photos Pictures amp Royalty Free Images iStock

2000 Years Wiki Fandom

This Marks 2 000 Consecutive Daily Blog Posts

New Year 2000 Stock Photos Pictures amp Royalty Free Images iStock

Company Acdoco

The Audient Celebrating 2 000 posts almost on time

number 2000 images usseek com

La mode hip hop au d 233 but des ann 233 es 2000 2000 03 r generationology

2000 Angel Number Meaning amp Symbolism You Are Not Alone

2000 Pictures Download Free Images on Unsplash

2000 Wikiwand

UK49s Lunchtime Results 2000

UK49s Teatime Results 2000

2000

2000 YouTube

15 things you probably forgot happened in 2000

Flashback To The Year 2000 Two Minute Look YouTube

The 2000s Decade of Hope and Turmoil

The 2000s NationalGeographic

MEO

Bookfoolery Monday Malarkey Arrivals posts finished books

2000 2000 21

Year 2000 Fun Facts Trivia and History HubPages

2 000th Comment 171 St Peter s Primary Bray Blog

DI TUTTO E DI PIU Le 2000

2000 Compilation by Various Artists Spotify

FTC 2013 Disclosures What Marketers Need to Know

2000 Stock Photos Pictures amp Royalty Free Images iStock

Best Number 2000 Stock Photos Pictures amp Royalty Free Images iStock

2000 Years Wiki Fandom

This Marks 2 000 Consecutive Daily Blog Posts

New Year 2000 Stock Photos Pictures amp Royalty Free Images iStock

Company Acdoco

The Audient Celebrating 2 000 posts almost on time

number 2000 images usseek com

La mode hip hop au d 233 but des ann 233 es 2000 2000 03 r generationology

2000 Angel Number Meaning amp Symbolism You Are Not Alone

2000 Pictures Download Free Images on Unsplash

2000 Wikiwand

UK49s Lunchtime Results 2000

UK49s Teatime Results 2000

2000

2000 YouTube

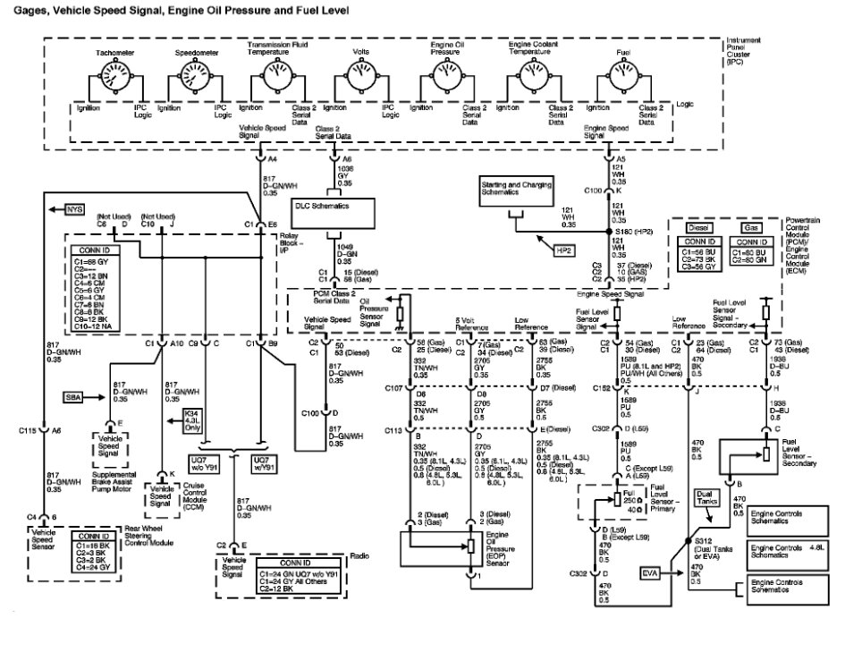
2000 Chevrolet Blazer System Wiring Diagrams PDF Download PDF

2000 Chevrolet S 10 Blazer Wiring Diagram S10LIFE

The Complete Guide to the 2000 Blazer Wiring Diagram Everything You

2000 Chevrolet S 10 Blazer Wiring Diagram S10LIFE

2000 Chevrolet S 10 Blazer Wiring Diagram S10LIFE

2000 Chevrolet S 10 Blazer Wiring Diagram S10LIFE

2000 Chevrolet S 10 Blazer Wiring Diagram S10LIFE

2000 Chevrolet S 10 Blazer Wiring Diagram S10LIFE

2000 Chevrolet Blazer Wiring Diagram

2000 Chevrolet S 10 Blazer Wiring Diagram S10LIFE

2000 Chevrolet S 10 Blazer Wiring Diagram S10LIFE

2000 Chevrolet S 10 Blazer Wiring Diagram S10LIFE

2000 Chevrolet Blazer Wiring Diagram

Wiring Diagram pinout Needed for the Instrument Cluster

Instrument Cluster Wiring Diagrams Recently My Instrument

INSTRUMENT CLUSTER Chevrolet Blazer 1998 SYSTEM WIRING DIAGRAMS

Instrument Cluster Wiring Diagram Needed All of the Wires Are

INSTRUMENT CLUSTER Chevrolet Blazer K1500 1994 SYSTEM WIRING

Wiring Diagram 2000 Chevy Blazer Wiring Digital and Schematic

INSTRUMENT CLUSTER Chevrolet Camaro Z28 2000 SYSTEM WIRING DIAGRAMS

Chevy Instrument Panel Wiring Schematics

2000 Chevrolet Blazer Wiring Diagram

2000 Chevrolet Blazer Wiring Diagram

Instrument Cluster Wiring Diagrams Recently My Instrument

2000 Chevrolet Blazer Wiring Diagram

GROUND DISTRIBUTION Chevrolet Blazer 2000 SYSTEM WIRING DIAGRAMS

2000 Chevrolet Blazer Wiring Diagram

Pinout Gm Instrument Cluster Wiring Diagram

2000 Chevy Blazer Gauge Cluster Wiring Diagram - The pictures related to be able to 2000 Chevy Blazer Gauge Cluster Wiring Diagram in the following paragraphs, hopefully they will can be useful and will increase your knowledge. Appreciate you for making the effort to be able to visit our website and even read our articles. Cya ~.

RSS Feed | Sitemaps
Copyright © 2025. By https://chevywiringdiagram.biz.id

close