Chevy Wiring Diagram

Wiring Diagram Hei Ignition 2003 Chevy S10


Learn the basics of electrical wiring for the home, including wire and cable types, wire color codes and labeling, and essential wiring Conquer your fear of working with electrical wiring BY understanding the basics of electrical work and installing 3-switch wiring. Play it


Electrical wiring is an electrical installation of cabling and associated devices such as switches, distribution boards, sockets, and Working with household electrical wiring allows homeowners to install new fixtures, repair outlets, or upgrade lighting. While performing


Related Posts of Wiring Diagram Hei Ignition 2003 Chevy S10 :


1986 chevy s 10 ignition wiring diagram Wiring Work

Ignition Switch Wiring Diagram Chevy S10 Wiring Diagram

2002 Chevy S10 Ignition Wiring Diagram 187 Wiring Diagram

2000 Chevy S10 Ignition Wiring Diagram

1998 Chevy S10 Ignition Wiring Diagram Wiring Diagram

1975 Chevy Hei Wiring Diagram


15+ Images of Wiring Diagram Hei Ignition 2003 Chevy S10

Chevy S10 Starter Wiring Diagram

Learn the basics of electrical wiring for the home, including wire and cable types, wire color codes and labeling, and essential wiring


Conquer your fear of working with electrical wiring BY understanding the basics of electrical work and installing 3-switch wiring. Play it


Electrical wiring is an electrical installation of cabling and associated devices such as switches, distribution boards, sockets, and


Working with household electrical wiring allows homeowners to install new fixtures, repair outlets, or upgrade lighting. While performing


Our guide will walk you through the essentials of home electrical wiring, from planning and installation to safety



Gallery of Wiring Diagram Hei Ignition 2003 Chevy S10 :

Wiring Diagram for 2000 Chevy S10 Ignition System

2003 Chevy S10 Brake Light Wiring Diagram Wiring Diagram

Chevy Hei Wiring Diagram

2002 Chevy S10 Ignition Wiring 187 Schema Digital

2003 Chevy S10 Tail Light Wiring Diagram Wiring Diagram

1994 Chevy S10 Starter Wiring Diagram

Chevy Hei Ignition Wiring

1991 Chevy S10 Wiring Schematic Wiring Diagram

2003 chevy s10 radio wiring diagram

Ignition Wiring Diagram For A 2001 Chevy S10 4 3 Engine 2001

Hei Distributor Plug Wiring Diagram Chevy 350

Exploring the Wiring Diagram for the 1993 Chevy S10

Hei Distributor Wiring Diagram Chevy 350

2003 S10 Wiring Diagram Wiring Diagram

Chevy S10 Wiring Diagram My Wiring DIagram

2003 S10 Wiring Diagram Wiring Diagram

2003 Chevy S10 Fuel Pump Wiring Diagram Fab Side

2003 Chevy S10 Radio Wiring Diagram Collection Faceitsalon com

Chevy 350 Hei Distributor Ignition Module

03 s10 wiring diagram Wiring Diagram

Hei Distributor Wiring Diagram Chevy 350

2003 S10 Wiring Diagram Wiring Diagram

Chevy S10 Wiring Diagram

2003 S10 Wiring Diagram Wiring Diagram

2003 S10 Wiring Diagram Wiring Diagram

2003 Chevy S10 Radio Wiring Diagram Collection Faceitsalon com

Chevy 350 Hei Distributor Ignition Module

03 s10 wiring diagram Wiring Diagram

Ignition Wiring Diagram For A 2001 Chevy S10 4 3 Engine 2001

Chevy S10 Wiring Schematic

Visual Guide to 2003 Chevy S10 Parts Configuration

Free 2003 4 3 Chevy S10 Wiring Diagram

Chevy S10 Wiring Harness Diagram Q amp A for Starter Engine Radio and

Chevy S10 22 Engine Diagram Wiring Diagram

03 S10 Blazer Wiring Layout Diagram Completed Wirring Diagram

2003 S10 4 3 Ecm And Bcm Engine Wiring Diagrams

2003 s10 4 3 ecm and bcm engine wiring diagrams Wiring Digital and

2003 s10 4 3 ecm and bcm engine wiring diagrams Wiring Digital and

POWER WINDOWS Chevrolet S10 Pickup 2003 SYSTEM WIRING DIAGRAMS

S10 Ignition Control Module Plug at Ruth Flaherty blog

All Wiring Diagrams for Chevrolet S10 Pickup 2003 model Wiring

STARTING CHARGING Chevrolet S10 Pickup 2003 SYSTEM WIRING DIAGRAMS

All Wiring Diagrams for Chevrolet S10 Pickup 2003 model Wiring

Chevy S10 Starter Relay Location Q amp A Guide for Hotwiring and Grounding

Chevy S10 Q amp A Neutral Safety Switch Wiring Location Ignition Switch

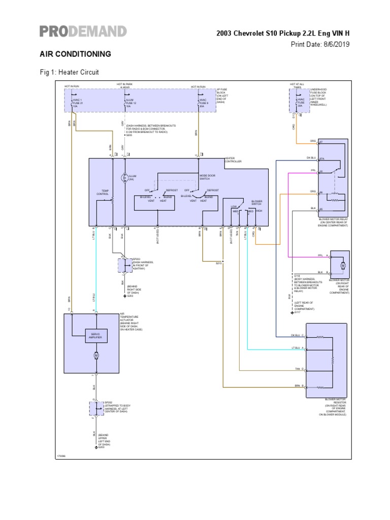
2003 Chevrolet S10 Pickup 2 2L Eng VIN H PDF Electrical Engineering

2003 Chevy S10 Light Diagram Awesome Wiring Diagram Image in 2024

Chevy S10 22 Engine Diagram Wiring Diagram

03 S10 Blazer Wiring Layout Diagram Completed Wirring Diagram

Chevrolet S10 Wiring Diagram

2003 S10 4 3 Ecm And Bcm Engine Wiring Diagrams

2003 s10 4 3 ecm and bcm engine wiring diagrams Wiring Digital and

2003 s10 4 3 ecm and bcm engine wiring diagrams Wiring Digital and

2003 Chevrolet S 10 Blazer Blazer S10LIFE

POWER WINDOWS Chevrolet S10 Pickup 2003 SYSTEM WIRING DIAGRAMS

S10 Ignition Control Module Plug at Ruth Flaherty blog

All Wiring Diagrams for Chevrolet S10 Pickup 2003 model Wiring

All Wiring Diagrams for Chevrolet S10 Pickup 2003 model Wiring

STARTING CHARGING Chevrolet S10 Pickup 2003 SYSTEM WIRING DIAGRAMS

All Wiring Diagrams for Chevrolet S10 Pickup 2003 model Wiring

All Wiring Diagrams for Chevrolet S10 Pickup 2003 model Wiring

All Wiring Diagrams for Chevrolet S10 Pickup 2001 Wiring diagrams for

Chevy S10 Starter Relay Location Q amp A Guide for Hotwiring and Grounding

Chevy S10 Q amp A Neutral Safety Switch Wiring Location Ignition Switch

All Wiring Diagrams for Chevrolet S10 Pickup 2004 model Wiring

All Wiring Diagrams for Chevrolet S10 Pickup 2004 model Wiring

All Wiring Diagrams for Chevrolet S10 Pickup 2004 model Wiring

All Wiring Diagrams for Chevrolet S10 Pickup 2004 model Wiring

2003 Chevrolet S10 Pickup 2 2L Eng VIN H PDF Electrical Engineering

Chevrolet S10 Pickup 2003 Wiring

2003 Chevy S10 Light Diagram Awesome Chevy Diagram

2003 Chevy S10 Light Diagram Awesome Wiring Diagram Image in 2024

Wiring Diagram Hei Ignition 2003 Chevy S10 - The pictures related to be able to Wiring Diagram Hei Ignition 2003 Chevy S10 in the following paragraphs, hopefully they will can be useful and will increase your knowledge. Appreciate you for making the effort to be able to visit our website and even read our articles. Cya ~.

RSS Feed | Sitemaps
Copyright © 2025. By https://chevywiringdiagram.biz.id

close