Chevy Wiring Diagram

Wiring Diagram For Abs Modular 1997 Chevy Suburban K1500


Learn the basics of electrical wiring for the home, including wire and cable types, wire color codes and labeling, and essential wiring Conquer your fear of working with electrical wiring BY understanding the basics of electrical work and installing 3-switch wiring. Play it


Electrical wiring is an electrical installation of cabling and associated devices such as switches, distribution boards, sockets, and Get the ultimate guide to wiring with step-by-step instructions, diagrams, and tips. Learn everything from basic electrical concepts to


Related Posts of Wiring Diagram For Abs Modular 1997 Chevy Suburban K1500 :


1997 Chevy 1500 Wiring Diagram Wiring Digital and Schematic

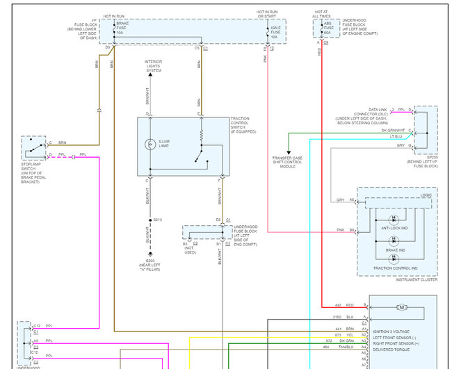
Abs System Diagram 187 Wiring Diagram

The Ultimate Guide Wiring Diagram for 1997 Chevy Silverado Unveiled

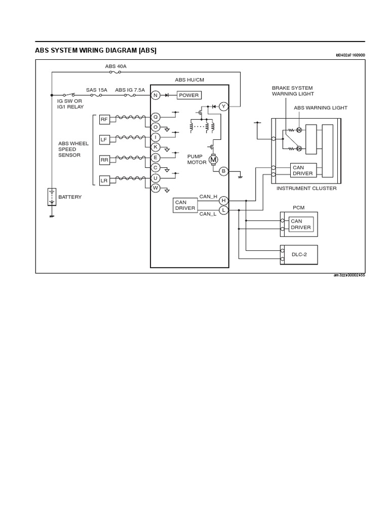
Abs System Wiring Diagram Abs PDF

Abs PDF

Diagram 1997 Chevy Express Abs System Abs Brakes Diagrams


56+ Images of Wiring Diagram For Abs Modular 1997 Chevy Suburban K1500

Chevy Abs Diagram at Wanda Devine blog

Learn the basics of electrical wiring for the home, including wire and cable types, wire color codes and labeling, and essential wiring


Conquer your fear of working with electrical wiring BY understanding the basics of electrical work and installing 3-switch wiring. Play it


Electrical wiring is an electrical installation of cabling and associated devices such as switches, distribution boards, sockets, and


Get the ultimate guide to wiring with step-by-step instructions, diagrams, and tips. Learn everything from basic electrical concepts to


Want to learn the basics of home electrical wiring? This guide covers everything in this regard, including wire sizing, safety, color



Gallery of Wiring Diagram For Abs Modular 1997 Chevy Suburban K1500 :

Chevy Abs Diagram at Wanda Devine blog

Chevy Abs Diagram at Wanda Devine blog

Chevy Abs Diagram at Wanda Devine blog

Abs Wiring Diagrams 187 Wiring Today

Visualizing the ABS Module in a Silverado Unraveling the Complexities

Visualizing the ABS Module in a Silverado Unraveling the Complexities

Visualizing the ABS Module in a Silverado Unraveling the Complexities

abs wiring diagrams Wiring Work

Chevy Abs Module Brake Line Diagram

Understanding the Chevrolet ABS Module Brake Line Diagram

Understanding the Chevrolet ABS Module Brake Line Diagram

1999 2002 Chevy Silverado Abs Module Diagram

Abs Module Diagram Chevy 1500 Brake Line 2003 Silverado Abs

Diagram 1997 Chevy Express Abs System Abs Brakes Diagrams

ABS wiring diagram Ford F150 Forum Community of Ford Truck Fans

Visualize your 2001 Chevy Silverado ABS module with this simple diagram

Diagram 1997 Chevy Express Abs System Abs Brakes Diagrams

Abs Wiring Diagrams Wiring Diagram amp Schematic

Abs System Diagram Wiring at Bruce Green blog

Abs System Diagram Wiring at Bruce Green blog

Diagram 1997 Chevy Express Abs System Abs Brakes Diagrams

Abs Wiring Diagrams Wiring Diagram amp Schematic

Abs System Diagram Wiring at Bruce Green blog

Abs System Diagram Wiring at Bruce Green blog

Abs System Diagram Wiring at Bruce Green blog

Abs Wiring Diagrams Wiring Draw

Abs Wiring Diagrams Wiring Draw

A Complete Guide to Understanding Semi Trailer ABS Wiring Diagrams

Abs Wiring Diagrams Wiring Flow Schema

Air Control Panel Wiring Diagram 1997 Chevy Truck Ac Compres

Gm Abs Module Diagram

Gm Abs Module Diagram

Gm Abs Module Diagram

Gm Abs Module Diagram

Silverado Abs Module Diagram

Silverado Abs Module Diagram

Silverado Abs Module Diagram

Modu ABS Schemat Elektryczny Download Free PDF Anti Lock Braking

How To Bypass Chevy ABS Module In 3 Easy Steps

2001 Chevy Silverado 1500 Abs Module Fix

Chevy Abs Line Diagram Chevy Silverado Brake Line Diagrams

The Ultimate Guide to Understanding the GM ABS Module Diagram

The Ultimate Guide to Understanding the GM ABS Module Diagram

Autotronics Studies ABS Wiring and Operation

Chevy Abs Module Diagram Abs Control Module Diagram For 12 2

Understanding the Silverado ABS Module Diagram A Complete Guide

Understanding the Silverado ABS Module Diagram A Complete Guide

Understanding the Silverado ABS Module Diagram A Complete Guide

Chevy Abs Line Diagram Chevy Silverado Brake Line Diagrams

The Ultimate Guide to Understanding the GM ABS Module Diagram

The Ultimate Guide to Understanding the GM ABS Module Diagram

Autotronics Studies ABS Wiring and Operation

Chevy Abs Module Diagram Abs Control Module Diagram For 12 2

Understanding the Silverado ABS Module Diagram A Complete Guide

Understanding the Silverado ABS Module Diagram A Complete Guide

Understanding the Silverado ABS Module Diagram A Complete Guide

Chevy Abs Module Line Diagram

Abs Actuator Diagram at Jacqueline Corbett blog

Chevy 4w Abs Module Diagram What Are The Line Locations For

Diagrama de fia 231 227 o ABS para carros e sistemas automotivos

Schematic Abs Control Module Diagram

Abs Module For 2001 Chevy Silverado

ABS Control Module Wiring Harness Cannot Seem to Get It Unhooked

Chevrolet ABS Module Repair Service Fast Turnaround

ABS For All importnut net

Can I Get a Electrical Diagram for the ABS Circuit and Where Is

Can I Get a Electrical Diagram for the ABS Circuit and Where Is

Abs Module Pinout at Mildred Rohe blog

Abs Module Wires at Mike Fahey blog

ABS Module Wire Harness Pinout Needed ABS Has a Lost

ABS Module Wire Harness Pinout Needed ABS Has a Lost

How Abs Modulator Works at Ian Milligan blog

How to Replace an ABS Control Module YourMechanic Advice

Silverado Abs Control Module

1997 Chevy ABS Problems heater quit and no cruise control YouTube

GM ABS Module Line Diagram you re welcome brakerepair gm

Wiring Diagram For Abs Modular 1997 Chevy Suburban K1500 - The pictures related to be able to Wiring Diagram For Abs Modular 1997 Chevy Suburban K1500 in the following paragraphs, hopefully they will can be useful and will increase your knowledge. Appreciate you for making the effort to be able to visit our website and even read our articles. Cya ~.

RSS Feed | Sitemaps
Copyright © 2025. By https://chevywiringdiagram.biz.id

close