Chevy Wiring Diagram

Wiring Diagram For A 87 Chevy S10 Pickup


Learn the basics of electrical wiring for the home, including wire and cable types, wire color codes and labeling, and essential wiring Conquer your fear of working with electrical wiring BY understanding the basics of electrical work and installing 3-switch wiring. Play it


Working with household electrical wiring allows homeowners to install new fixtures, repair outlets, or upgrade lighting. While performing Our guide will walk you through the essentials of home electrical wiring, from planning and installation to safety


Related Posts of Wiring Diagram For A 87 Chevy S10 Pickup :


Wiring Diagram 87 Chevy S10 Wiring Diagram

1973 87 Chevy Truck Wiring Diagram

1973 87 Chevy Truck Wiring Diagram

87 Chevy V10 Wiring Diagram

84 Chevy Truck Wiring Diagram

87 Chevy V10 Wiring Diagram Wiring Diagram Pictures


68+ Images of Wiring Diagram For A 87 Chevy S10 Pickup

8 Handy Wiring Diagrams for Your 87 Chevy Truck Moo Wiring

Learn the basics of electrical wiring for the home, including wire and cable types, wire color codes and labeling, and essential wiring


Conquer your fear of working with electrical wiring BY understanding the basics of electrical work and installing 3-switch wiring. Play it


Working with household electrical wiring allows homeowners to install new fixtures, repair outlets, or upgrade lighting. While performing


Our guide will walk you through the essentials of home electrical wiring, from planning and installation to safety


Get the ultimate guide to wiring with step-by-step instructions, diagrams, and tips. Learn everything from basic electrical concepts to



Gallery of Wiring Diagram For A 87 Chevy S10 Pickup :

1972 Chevy C10 Engine Wiring Diagram Wiring Diagram

Wiring Diagram For A 1985 Chevy S10 Wiring Diagram

Wiring Diagram For A 1985 Chevy S10 Wiring Diagram

Wiring Diagram For A 1985 Chevy S10 Wiring Diagram

Easy to Follow Chevy S10 Wiring Diagram Guide

1991 Chevy S10 Wiring Schematic Wiring Diagram

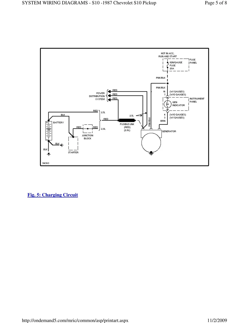
1987 S10 Wiring Diagram Wiring Draw And Schematic

Chevy S10 2 8l Wiring Diagram Wiring Diagram Pictures

Chevy S10 Wiring Harness Diagram

73 87 Chevy Firewall Wiring Diagram 73 87 Chevy Wiring Diagr

1987 S10 Wiring Schematic Wiring Diagram

Chevy S10 Electrical Schematics 187 Wiring Flow Line

Chevy S10 Wiring Harness Diagram

1987 Chevy S10 GMC S15 Wiring Diagram 87 Blazer Jimmy S 10 15 Pickup

95 Chevy S10 Wiring Diagram

87 Chevy Pickup V10 Wire Diagram 73 87 Chevy Truck Instrumen

Wiring Diagrams S10LIFE

Wiring Diagrams S10LIFE

87 Chevy Pickup V10 Wire Diagram 73 87 Chevy Truck Instrumen

1987 Chevrolet S 10 WIRING DIAGRAMS S10LIFE

87 Chevy Truck Radio Wiring Diagram Wiring Diagram For 87 Ch

73 87 Chevy Firewall Wiring Diagram 73 87 Chevy Wiring Diagr

73 87 Chevy Truck Tail Light Wiring Diagram 2007 Colorado Wi

1987 S10 Wiring Schematic Wiring Diagram

1987 S10 Wiring Schematic Wiring Diagram

Chevy S10 Electrical Schematics 187 Wiring Flow Line

Chevy S10 Wiring Harness Diagram

1987 Chevy S10 GMC S15 Wiring Diagram 87 Blazer Jimmy S 10 15 Pickup

95 Chevy S10 Wiring Diagram

87 Chevy Pickup V10 Wire Diagram 73 87 Chevy Truck Instrumen

Wiring Diagrams S10LIFE

Wiring Diagrams S10LIFE

87 Chevy Pickup V10 Wire Diagram 73 87 Chevy Truck Instrumen

1987 Chevrolet S 10 WIRING DIAGRAMS S10LIFE

1987 Chevrolet S 10 WIRING DIAGRAMS S10LIFE

1987 Chevrolet S 10 WIRING DIAGRAMS S10LIFE

1987 Chevrolet S 10 WIRING DIAGRAMS S10LIFE

1987 Chevrolet S 10 WIRING DIAGRAMS S10LIFE

1987 Chevrolet S 10 WIRING DIAGRAMS S10LIFE

1987 Chevrolet S 10 WIRING DIAGRAMS S10LIFE

1987 Chevrolet S 10 WIRING DIAGRAMS S10LIFE

1987 Chevrolet S 10 WIRING DIAGRAMS S10LIFE

1987 Chevrolet S 10 WIRING DIAGRAMS S10LIFE

1987 Chevrolet S 10 WIRING DIAGRAMS S10LIFE

1987 Chevrolet S 10 WIRING DIAGRAMS S10LIFE

Diagram For A Chevy S10 Blazer 1989 1989 Chevy Blazer Wiring

73 87 Chevy Truck Instrument Cluster Circuit Board

1983 S10 amp S15 Chevrolet S10 Pickup WIRING DIAGRAMS S10LIFE

1987 Chevrolet S 10 WIRING DIAGRAMS S10LIFE

1987 Chevrolet S 10 WIRING DIAGRAMS S10LIFE

1987 Chevrolet S 10 WIRING DIAGRAMS S10LIFE

1987 Chevrolet S 10 WIRING DIAGRAMS S10LIFE

1987 Chevrolet S 10 WIRING DIAGRAMS S10LIFE

1987 Chevrolet S 10 WIRING DIAGRAMS S10LIFE

1987 Chevrolet S 10 WIRING DIAGRAMS S10LIFE

1987 Chevrolet S 10 WIRING DIAGRAMS S10LIFE

1987 Chevrolet S 10 WIRING DIAGRAMS S10LIFE

1987 Chevrolet S 10 WIRING DIAGRAMS S10LIFE

1988 Chevrolet S 10 Pickup Wiring Diagrams S10LIFE

1988 Chevrolet S 10 Pickup Wiring Diagrams S10LIFE

1988 Chevrolet S 10 Pickup Wiring Diagrams S10LIFE

Diagram For A Chevy S10 Blazer 1989 1989 Chevy Blazer Wiring

73 87 Chevy Truck Instrument Cluster Circuit Board

1984 S10 S15 Chevrolet S10 Pickup WIRING DIAGRAMS S10LIFE

1987 S10 Ecm Wire Diagram 187 Schema Digital

1983 S10 amp S15 Chevrolet S10 Pickup WIRING DIAGRAMS S10LIFE

1983 S10 amp S15 Chevrolet S10 Pickup WIRING DIAGRAMS S10LIFE

1987 Chevy S10 GMC S15 Wiring Diagram 87 Blazer Jimmy S 10 15 Pickup

Wiring Diagram For A 87 Chevy S10 Pickup - The pictures related to be able to Wiring Diagram For A 87 Chevy S10 Pickup in the following paragraphs, hopefully they will can be useful and will increase your knowledge. Appreciate you for making the effort to be able to visit our website and even read our articles. Cya ~.

RSS Feed | Sitemaps
Copyright © 2025. By https://chevywiringdiagram.biz.id

close