Chevy Wiring Diagram

Wiring Diagram For 4 Wheel Drive On 2004 Chevy Colorado


Learn the basics of electrical wiring for the home, including wire and cable types, wire color codes and labeling, and essential wiring Conquer your fear of working with electrical wiring BY understanding the basics of electrical work and installing 3-switch wiring. Play it


Working with household electrical wiring allows homeowners to install new fixtures, repair outlets, or upgrade lighting. While performing Get the ultimate guide to wiring with step-by-step instructions, diagrams, and tips. Learn everything from basic electrical concepts to


Related Posts of Wiring Diagram For 4 Wheel Drive On 2004 Chevy Colorado :


4 Wheel Drive 4WD System PDF Four Wheel Drive Clutch

Four Wheel Drive Systems PDF Motor Vehicle Transport

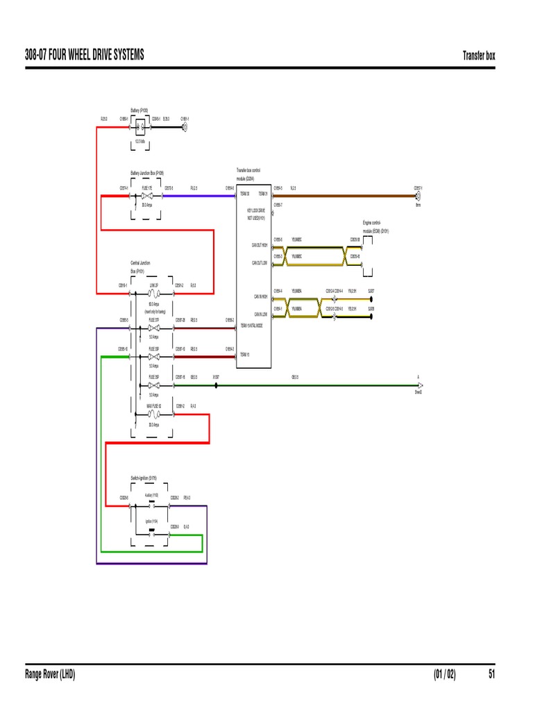
Diagrama Electrico 4WD PDF Vehicle Technology Land Vehicles

Understanding Four Wheel Drive A Comprehensive Diagram Guide

Step by Step Guide to Wiring a Chevy 4x4 Actuator

Four Wheel Drive System Experts Platinum Auto Service


37+ Images of Wiring Diagram For 4 Wheel Drive On 2004 Chevy Colorado

Four Wheel Drive Lights Not Working 4 Wheel Drive Indicator

Learn the basics of electrical wiring for the home, including wire and cable types, wire color codes and labeling, and essential wiring


Conquer your fear of working with electrical wiring BY understanding the basics of electrical work and installing 3-switch wiring. Play it


Working with household electrical wiring allows homeowners to install new fixtures, repair outlets, or upgrade lighting. While performing


Get the ultimate guide to wiring with step-by-step instructions, diagrams, and tips. Learn everything from basic electrical concepts to


Our guide will walk you through the essentials of home electrical wiring, from planning and installation to safety



Gallery of Wiring Diagram For 4 Wheel Drive On 2004 Chevy Colorado :

Four Wheel Drive Not Engaging When I Put My Truck in Four Wheel

Four Wheel Drive Not Working I Have a Automatic Four wheel Drive

Four Wheel Drive Not Working My Four Wheel Drive Has Suddenly

Four Wheel Drive Not Working My Four Wheel Drive Has Suddenly

Four wheel Drive Not Working My 4x4 Isn t Working It Stopped

Service 4 Wheel Drive Message Service Four wheel Drive Message

Four Wheel Drive Not Working the Four Wheel Drive Does Not Come

Four wheel Drive Stopped Working After Installing a Three inch

Four Wheel Drive Will Not Always Engage

Four Wheel Drive Will Not Always Engage

Four wheel Drive Stopped Working After Installing a Three inch

Four wheel Drive Stopped Working After Installing a Three inch

I Noticed My Four Wheel and Two Wheel and Four Auto Lights

Does Not Go Into Four Wheel Drive

Four Wheel Drive Does Not Engage or Light Up

Four Wheel Drive Will Not Disengage From Four Low

Four Wheel Drive Is Not Working When I Turn My Switch for the

Four Wheel Drive Is Not Working When I Turn My Switch for the

4 Wheel Drive Doesn t Work I Engaged It to 4 Wheel Drive

4 Wheel Drive Doesn t Work I Engaged It to 4 Wheel Drive and

Service 4 Wheel Drive Message Service Four wheel Drive Message

Service 4 Wheel Drive Message Service Four wheel Drive Message

Service 4 Wheel Drive Message Service Four wheel Drive Message

Four Wheel Drive Not Working the Four Wheel Drive Does Not Come

Four wheel Drive Stopped Working After Installing a Three inch

Four Wheel Drive Will Not Always Engage

Four Wheel Drive Will Not Always Engage

Four wheel Drive Stopped Working After Installing a Three inch

Four wheel Drive Stopped Working After Installing a Three inch

I Noticed My Four Wheel and Two Wheel and Four Auto Lights

Does Not Go Into Four Wheel Drive

Four Wheel Drive Does Not Engage or Light Up

Four Wheel Drive Will Not Disengage From Four Low

Four Wheel Drive Not Responding and Stuck in 4L

Four Wheel Drive Is Not Working When I Turn My Switch for the

Four Wheel Drive Is Not Working When I Turn My Switch for the

4 Wheel Drive Doesn t Work I Engaged It to 4 Wheel Drive

4 Wheel Drive Doesn t Work I Engaged It to 4 Wheel Drive and

4 Wheel Drive Doesn t Work I Engaged It to 4 Wheel Page 2

How does 4 Wheel Drive work Here s your guide ProtoThema English

2004 System Wiring Diagrams PDF Off Road Vehicles Rear Wheel

Protecting Your 4x4 s Electrics with the Right Wiring Upgrades ioda

Four Wheel Drive Not Engaging and Service Four Wheel Drive Light

Four Wheel Drive Not Engaging and Service Four Wheel Drive Light

A Simple Four Wheel Diesel IBLS

4wd Diagram Diagram Of 2wd And 4wd Models

4W Drive stuck on IH8MUD Forum

Diagram of the Electrical Connections and Component Layout of a Vehicle

2004 System Wiring Diagrams PDF Off Road Vehicles Rear Wheel

Protecting Your 4x4 s Electrics with the Right Wiring Upgrades ioda

Four wheel Drive Will Not Engage My Four wheel Drive Will Not

Four Wheel Drive Not Engaging and Service Four Wheel Drive Light

Four Wheel Drive Not Engaging and Service Four Wheel Drive Light

A Simple Four Wheel Diesel IBLS

4wd Diagram Diagram Of 2wd And 4wd Models

4W Drive stuck on IH8MUD Forum

Diagram of the Electrical Connections and Component Layout of a Vehicle

Does Not Engage Into Four Wheel Drive

Four wheel Drive Not Working Properly When I Turn the Knob 4x4

Not Shifting From Two Wheel Drive to Four Wheel Drive

Feels Like the Four wheel Drive Low Is Locked In

Feels Like the Four wheel Drive Low Is Locked In

Four wheel Drive Not Engaging My 4 215 4 Is Not Engaging but Lights

Four wheel Drive Not Engaging My 4 215 4 Is Not Engaging but Lights

Feels Like the Four wheel Drive Low Is Locked In

Four wheel Drive Not Working Truck Is in 2wd Now but Sometimes

Four wheel Drive Not Working Truck Is in 2wd Now but Sometimes

Four wheel Drive Not Working Truck Is in 2wd Now but Sometimes

4WD 12V Electrical Setup what do you need to know

My 4wd 4 Wheel Drive Is Not Working Why

My 4wd 4 Wheel Drive Is Not Working Why

My 4wd 4 Wheel Drive Is Not Working Why

My 4wd 4 Wheel Drive Is Not Working Why

Four wheel Drive Not Working When I Turn Knob to 4hi the 4hi

A Crash Course on 4WD Systems In The Garage with CarParts com

Four Wheel Driving Not Working Properly 4 Wheel Drive Was Working

Wiring Diagram For 4 Wheel Drive On 2004 Chevy Colorado - The pictures related to be able to Wiring Diagram For 4 Wheel Drive On 2004 Chevy Colorado in the following paragraphs, hopefully they will can be useful and will increase your knowledge. Appreciate you for making the effort to be able to visit our website and even read our articles. Cya ~.

RSS Feed | Sitemaps
Copyright © 2025. By https://chevywiringdiagram.biz.id

close