Chevy Wiring Diagram

Wiring Diagram 1993 Chevy K2500


Learn the basics of electrical wiring for the home, including wire and cable types, wire color codes and labeling, and essential wiring Conquer your fear of working with electrical wiring BY understanding the basics of electrical work and installing 3-switch wiring. Play it


Electrical wiring is an electrical installation of cabling and associated devices such as switches, distribution boards, sockets, and Want to learn the basics of home electrical wiring? This guide covers everything in this regard, including wire sizing, safety, color


Related Posts of Wiring Diagram 1993 Chevy K2500 :


Wiring Diagram 1998 Chevy K1500

93 Chevy 3500 Wiring Diagram

1993 chevy wiring diagram Fixya

1995 Chevy K1500 Wiring Diagram 187 Wiring Flow Line

Free 1993 Chevy Silverado Wiring Diagram Database

1995 Chevy K1500 Wiring Diagram Wiring Diagram


68+ Images of Wiring Diagram 1993 Chevy K2500

1993 Chevy K1500 Wiring Diagram

Learn the basics of electrical wiring for the home, including wire and cable types, wire color codes and labeling, and essential wiring


Conquer your fear of working with electrical wiring BY understanding the basics of electrical work and installing 3-switch wiring. Play it


Electrical wiring is an electrical installation of cabling and associated devices such as switches, distribution boards, sockets, and


Want to learn the basics of home electrical wiring? This guide covers everything in this regard, including wire sizing, safety, color


Get the ultimate guide to wiring with step-by-step instructions, diagrams, and tips. Learn everything from basic electrical concepts to



Gallery of Wiring Diagram 1993 Chevy K2500 :

Chevrolet K2500 2001 Electrical Circuit Wiring Diagram CarFuseBox

1994 chevrolet K2500 Suburban Diesel Complete electrical schematic Col

1991 Chevy K2500 Wiring Diagram For The 4x4

1998 Chevrolet K2500 7 4l Ignition Coil Wiring Diagram Wiring Diagram

1998 Chevrolet K2500 7 4l Engine Control Wiring Diagram Wiring

All Wiring Diagrams for Chevrolet Suburban K1993 2500 Wiring diagrams

All Wiring Diagrams for Chevrolet Pickup K1993 1500 model Wiring

All Wiring Diagrams for Chevrolet Pickup K1993 2500 model Wiring

All Wiring Diagrams for Chevrolet Pickup K1993 2500 model Wiring

All Wiring Diagrams for Chevrolet Pickup K1993 2500 model Wiring

TRANSMISSION Chevrolet Pickup K2500 1993 SYSTEM WIRING DIAGRAMS

TRANSMISSION Chevrolet Pickup K2500 1993 SYSTEM WIRING DIAGRAMS

All Wiring Diagrams for Chevrolet Pickup K1993 3500 model Wiring

Wiring harness help 83 gmc k2500 GM Square Body 1973 1987 GM

STARTING CHARGING Chevrolet Pickup K2500 1995 SYSTEM WIRING

COMPUTER DATA LINES Chevrolet Pickup K2500 1995 SYSTEM WIRING

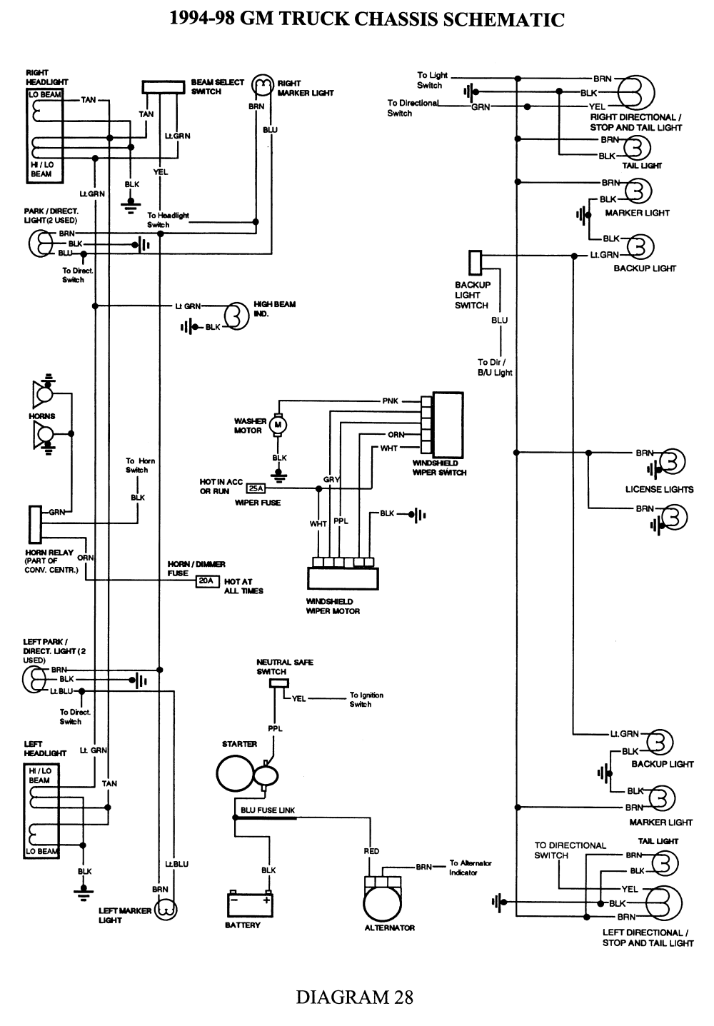
EXTERIOR LIGHTS Chevrolet Cab amp Chassis K2500 1998 SYSTEM WIRING

POWER DISTRIBUTION Chevrolet Pickup K2500 1995 SYSTEM WIRING

POWER DISTRIBUTION Chevrolet Pickup K2500 1995 SYSTEM WIRING

All Wiring Diagrams for Chevrolet Pickup K1997 2500 model Wiring

Chevrolet K2500 2001 Electrical Circuit Wiring Diagram CarFuseBox

1993 Chevy 6 5 Wiring Diagrams

1994 chevrolet K2500 Suburban Diesel Complete electrical schematic Col

1991 Chevy K2500 Wiring Diagram For The 4x4

1993 Chevy Truck Interior Diagram

1998 Chevrolet K2500 7 4l Ignition Coil Wiring Diagram Wiring Diagram

1998 Chevrolet K2500 7 4l Engine Control Wiring Diagram Wiring

All Wiring Diagrams for Chevrolet Suburban K1993 2500 Wiring diagrams

All Wiring Diagrams for Chevrolet Pickup K1993 1500 model Wiring

All Wiring Diagrams for Chevrolet Pickup K1993 2500 model Wiring

All Wiring Diagrams for Chevrolet Pickup K1993 2500 model Wiring

All Wiring Diagrams for Chevrolet Pickup K1993 2500 model Wiring

TRANSMISSION Chevrolet Pickup K2500 1993 SYSTEM WIRING DIAGRAMS

TRANSMISSION Chevrolet Pickup K2500 1993 SYSTEM WIRING DIAGRAMS

All Wiring Diagrams for Chevrolet Pickup K1993 3500 model Wiring

Wiring harness help 83 gmc k2500 GM Square Body 1973 1987 GM

STARTING CHARGING Chevrolet Pickup K2500 1995 SYSTEM WIRING

COMPUTER DATA LINES Chevrolet Pickup K2500 1995 SYSTEM WIRING

EXTERIOR LIGHTS Chevrolet Cab amp Chassis K2500 1998 SYSTEM WIRING

POWER DISTRIBUTION Chevrolet Pickup K2500 1995 SYSTEM WIRING

POWER DISTRIBUTION Chevrolet Pickup K2500 1995 SYSTEM WIRING

All Wiring Diagrams for Chevrolet Pickup K1997 2500 model Wiring

POWER DISTRIBUTION Chevrolet Cab amp Chassis K2500 1996 SYSTEM WIRING

ENGINE PERFORMANCE Chevrolet Cab amp Chassis K2500 1999 SYSTEM WIRING

GMC K2500 Wiring Diagrams Q amp A for 2001 2012 Sierra K1500 Jimmy

Installing a turn signal switch on a 1993 Chevy K2500 YouTube

1993 Chevy K1500 K2500 K3500 Silverado Truck Electrical Wiring Diagram

Chevrolet Pickup K2500 1996

All Wiring Diagrams for Chevrolet Pickup K1993 3500 model Wiring

Wiring harness help 83 gmc k2500 GM Square Body 1973 1987 GM

STARTING CHARGING Chevrolet Pickup K2500 1995 SYSTEM WIRING

COMPUTER DATA LINES Chevrolet Pickup K2500 1995 SYSTEM WIRING

STARTING CHARGING Chevrolet Pickup K2500 2000 SYSTEM WIRING

WARNING SYSTEMS Chevrolet Cab amp Chassis K2500 1999 SYSTEM WIRING

EXTERIOR LIGHTS Chevrolet Cab amp Chassis K2500 1998 SYSTEM WIRING

POWER DISTRIBUTION Chevrolet Pickup K2500 1995 SYSTEM WIRING

POWER DISTRIBUTION Chevrolet Pickup K2500 1995 SYSTEM WIRING

All Wiring Diagrams for Chevrolet Pickup K1997 2500 model Wiring

POWER DISTRIBUTION Chevrolet Cab amp Chassis K2500 1996 SYSTEM WIRING

POWER DISTRIBUTION Chevrolet Cab amp Chassis K2500 1996 SYSTEM WIRING

ENGINE PERFORMANCE Chevrolet Pickup K2500 1997 SYSTEM WIRING

ENGINE PERFORMANCE Chevrolet Cab amp Chassis K2500 1999 SYSTEM WIRING

GMC K2500 Wiring Diagrams Q amp A for 2001 2012 Sierra K1500 Jimmy

All Wiring Diagrams for Chevrolet Pickup K2000 2500 model Wiring

All Wiring Diagrams for Chevrolet Cab amp Chassis K1998 2500 model

Installing a turn signal switch on a 1993 Chevy K2500 YouTube

1998 Chevrolet Truck K2500HD 3 4 ton P U 4WD 6 5L Turbo Dsl OHV 8cyl

1993 Chevy K1500 K2500 K3500 Silverado Truck Electrical Wiring Diagram

Chevrolet Pickup K2500 1996

Chevrolet Pickup K2500 1996

Wiring Diagram 1993 Chevy K2500 - The pictures related to be able to Wiring Diagram 1993 Chevy K2500 in the following paragraphs, hopefully they will can be useful and will increase your knowledge. Appreciate you for making the effort to be able to visit our website and even read our articles. Cya ~.

RSS Feed | Sitemaps
Copyright © 2025. By https://chevywiringdiagram.biz.id

close